Hola al grupo
En el shack de radio dispongo de 48v (conjunto de baterías) y me gustaría poder aprovecharlos para alimentar los equipos de radio, es decir 13.8v
Había pensado en crearme una fuente conmutada de las denominadas Step Down DC-DC de 48-55v de entrada y con salida 13.8v y que ronde sobre los 30 amperios, que trabaje desahogada, pero no encuentro mucha información sobre ellas, en ebay las hay chinas pero idem de lo mismo.
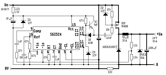
Por ahora tengo un esquema de una fuente de solo 8A (*no me convence demasiado), habría que redimensionarla sin duda, pero bastante incompleto en lo referente a la construcción de los trafos, necesitaría ayuda con ellos.
Digo *no me convence demasiado- porque observando el montaje la vida de mis equipos depende de un mosfet (o los que ponga), es decir, en caso de corto toda la tensión de entrada pasaría a la salida, pufff,
pregunto, no seria preferible aislado por un trafo?
Supongo que más de uno de vosotros tenéis algo de experiencia en este tipo de fuentes y podemos ver otros esquemas y comentarlo. Las gracias por adelantado.
J.Rivero EA7HV-IM77HL
Solo MAF 50, 144, 432 Mhz, proximamente 70 y 1200 Mhz.
Efectivamente, si el mosfet se cruza, pasan los 48V a la salida, pero también pasa en las fuentes de 13V8 lineales que llevamos décadas utilizando y realmente pocas están protegidas frente a esta contingencia.
Este convertidor que pones, sí tiene una "ligera" protección crow bar a la salida. Es el zenner 1N4746 que es de 18V. Si el mosfet se cruza, el zenner conduce y al sobrecalentarse en fracciones de segundo, se cortocircuita "normalmente". Pero si en vez de cortocircuitarse le da por abrirse...
Se puede hacer una protección crow bar más resistente usando ese zenner para disparar un tiristor "gordo". Yo siempre pongo esta protección en las fuentes fijas que hago.
En cuanto al resto del convertidor, lo veo un poco "farragoso" porque lleva dos transformadores y una bobina, cuando lo realmente imprescindible si no lleva aislamiento galvánico es la bobina. Te intento adjuntar algún esquema que he encontrado por la red con una sola bobina.
Un saludo.
Javier Muriedas
Pregunta.
Ese grupo de bateria por cuantas unidades y de que tension son.
Saludos
Francisco Sena
EA7JGz
Gracias Javier (EA1AWY) por los nuevos esquemas, me inspira más confianza el segundo. Si tienes el link de la página del primero me lo pasas por si el autor desarrolla el montaje.
EA7JGZ escribió:Pregunta.Ese grupo de bateria por cuantas unidades y de que tensión son.
A la pregunta mejor te mando una foto, pero en total son 4 Yuasa NP38. El cargador también lo tengo pero me falta fotografiarlo para subirlo, a ver si puedo hacerlo mañana y os lo muestro, es del tipo rack de 9" y la carga es compensada por temperatura.
J.Rivero EA7HV-IM77HL
Solo MAF 50, 144, 432 Mhz, proximamente 70 y 1200 Mhz.
EA7HV escribió:Gracias Javier (EA1AWY) por los nuevos esquemas, me inspira más confianza el segundo. Si tienes el link de la página del primero me lo pasas por si el autor desarrolla el montaje.EA7JGZ escribió:Pregunta.Ese grupo de bateria por cuantas unidades y de que tensión son.
A la pregunta mejor te mando una foto, pero en total son 4 Yuasa NP38. El cargador también lo tengo pero me falta fotografiarlo para subirlo, a ver si puedo hacerlo mañana y os lo muestro, es del tipo rack de 9" y la carga es compensada por temperatura.
Si son todas con la de las fotos,solo tienens qu ponerlas en paralelo y ya tienes los 12vcc.
De hay directamente puedes alimentar lo que quiera.
Le pones un cargador automatico a 12vcc y listo.
Saludos
Francisco Sena
EA7JGZ
Hola,
A ver si me ayudáis a recordar.
Si tengo cuatro baterías de 12v y las pongo en serie, obtengo 48v en los extremos, ¿Correcto?
Si a esas cuatro baterías en serie, conecto un voltímetro en los bornes de SOLO UNA de ellas, sigue habiendo 12v, ¿Correcto?
Por lo tanto, con cuatro baterías en serie puedo obtener 48v, 36v, 24v y 12v sin necesidad de nada más. ¿Correcto o me falla la memoria?
Gracias
73, Máximo - EA1DDO
Máximo Martín - EA1DDO / HK1H / M0HAO
EA1DDO@HoTMaiL.com
http://www.EA1DDO.es
EA1DDO escribió:Hola,A ver si me ayudáis a recordar.
Si tengo cuatro baterías de 12v y las pongo en serie, obtengo 48v en los extremos, ¿Correcto?
Si a esas cuatro baterías en serie, conecto un voltímetro en los bornes de SOLO UNA de ellas, sigue habiendo 12v, ¿Correcto?
Por lo tanto, con cuatro baterías en serie puedo obtener 48v, 36v, 24v y 12v sin necesidad de nada más. ¿Correcto o me falla la memoria?
Gracias
73, Máximo - EA1DDO
Hasta hay no te falla la memoria ,pero si solo la quiere para alimentar los equipos de 12vcc que las pongo todos en paralelo y aumentara la autonomia de uso .
Saludos
Francisco Sena
EA7JGZ
Máximo para tener una tensión de referencia bien, pero para obtener consumos no. La razón es que al poner 4 en serie, se cargan en serie. Lo suyo es que las 4 baterías se CARGUEN y DESCARGUEN por igual. Según tu propuesta la carga es por igual (definición de serie), pero la descarga no. Esto a la larga provocará que las 4 baterías no estén igualmente cargadas y no darán su máxima capacidad cuando se lo pidas.
Juan Antonio
Hombre, como dice un tal Alejandro -no es lo mismo-, la gran capacidad es en el conjunto que lo forman las 4 baterías, además puestos a escoger prefiero disponer de una salida de 13.8v en vez de 12v o poco más que espero de una SLA.
Luego el cargador desde su 'grandeza' también tiene una parte muy importante, la carga es controlada por temperatura y una vez que las baterías alcancen la tensión de flotación el consumo en 220v es muy bajo. Como dispone de varias salidas independientes y protegidas por disyuntores lo mismo le voy dando otros usos, no solo para los equipos de radio sino también en el shack-lab.
Este es el cargador que va en conjunto con las 4 baterías, en la foto le he puesto doble rectificador, pero con uno solo basta para la carga, incluso según especificaciones si uno entra en corto se auto-protege y trabaja el otro (una de las alarmas avisa de este fallo), dispone de otras alarmas que si las llevo a un Arduino puedo hacer maravillas.
J.Rivero EA7HV-IM77HL
Solo MAF 50, 144, 432 Mhz, proximamente 70 y 1200 Mhz.
Buenas noches,
Sin conocer el equipo al que quieres alimentar con 13,8 V y viendo el magnífico material de baterías y cargador que dispones, yo no me complicaría mucho en construir un convertidor de 48 a 12 V, ya que en un momento determinado la RF te podría ocasionar un disgusto.
Un equipo “normalito” de 100 W de salida como el Yaesu FT-857 se alimenta a un tensión de 13,8 V (+/- 15%), es decir entre 11,8 y 15, 8 V. Como la tensión nominal de una batería de 12 V cargada está en torno a los 12,8 V, el equipo funcionaría bastante bien y ¡sin problemas de RF!
Por ello, yo adoptaría una solución a la “vieja usanza”, es decir la utilización de varios relés de potencia de automoción para conmutar las baterías en paralelo (12 V) o en serie (48 V)
No te asustes por el precio, un relé de 12V/40A como el que te muestro, está en torno a los 3,5 euros.
Otra cosa es que necesites utilizar 48V y 12V a la vez.
Saludos.
José Luis, EA4EWT
Ni controlo, ni cronometro, ni po....s en vinagre, pero por respeto y educación siempre respondo.
Si no recuerdo mal...
Baterias en serie, suman el voltaje y el amperaje es el de la menor.
Baterias en paralelo, suman amperaje y el voltaje...
Asi que igual no tienes tanta capacidad como crees.
Otra opcion es configurar para 24v y usar circuiteria de regulacion y protecciones de las habituales en fuentes lineales de 13,8v, la salida de trafo y rectificado suele estar por los 25v en esas fuentes.
Hipolito Sanchez.
WW-Loc: IN83MB
Buenas noches,
EA2DR escribió:
“…Si no recuerdo mal...
…Baterias en serie, suman el voltaje y el amperaje es el de la menor.
Baterias en paralelo, suman amperaje y el voltaje...”
Las baterías en serie suman el voltaje. Pero si no se quiere tener serios problemas es conveniente que todas ellas sean del mismo amperaje e incluso de la misma marca y modelo.
En cuanto a las baterías en paralelo la misma regla es válida. En este caso la tensión es la misma pero el amperaje es la suma de todas ellas.
Saludos.
José Luis, EA4EWT
Ni controlo, ni cronometro, ni po....s en vinagre, pero por respeto y educación siempre respondo.
Gracias a todos por las respuestas, para eso está el foro, discutimos, aprendemos y hacemos amigos.
El pensar de hacerme una fuente de alimentación conmutada DC-DC es con el objetivo de aprovechar en lo máximo la capacidad y el rendimiento del conjunto baterías/cargador, es decir, no quiero desgastar amperios ni el exceso de temperatura que ello conllevaría, no olvidemos que luego hay que volver a cargarlas. Ni tampoco quiero entretenerme constantemente cambiando cables de un lado al otro para equilibrar la carga.
Descarto emplear en este caso el típico regulador de corriente para bajar de 48 o 24v a 13.8v, sería una locura, puesto la intensidad de consumo seria la misma en la sección 13.8v como en la de 48v. ni hablemos de las dimensiones del radiador, del numero de reguladores y la temperatura que se produce.
Como ejemplo, una fuente de alimentación (lineal) de las de toda la vida, con algo de potencia bien calculada para 12 o 13.8v no suele emplear mucho más allá de 18v a la salida del rectificador, porque el amperaje suele ser el mismo en 12v que en 18v, antes y después del regulador, todo lo que supere a 17/18v se convierten en una potencia derrochada.
Por ejemplo; un consumo habitual de uno de mis transmisores es de 20A, entonces fijaos, por la cuenta de la vieja, el derroche de energía es impresionante:
[ul]
[li]en 13.8v x20a = 276w; η= 100% (el 100% es un valor inalcanzable)[/li]
[li]en 24v x20a = 480w; η= 58%[/li]
[li]en 48v x20a = 960w; η= 29%[/li]
[/ul][η=W/E] η = eficiencia
Puedo equivocarme, no soy ningún experto en cálculos, si me rectificáis me estaréis ayudando.

J.Rivero EA7HV-IM77HL
Solo MAF 50, 144, 432 Mhz, proximamente 70 y 1200 Mhz.
Como ventajas una fuente de alimentación conmutada aparte de menor tamaño, es con menos componentes, menor peso, mayor eficiencia y por lo tanto menor calentamiento. Las desventajas comparándolas con fuentes lineales es que son más complejas y generan ruido en alta frecuencia que debe ser cuidadosamente minimizado para no causar interferencias a nuestros equipos.
Una fuente de alimentación conmutada puede alcanzar una eficiencia de hasta el 90%, en cambio una lineal puede rondar de entre el 30 y 60%, la diferencia es notable.
Volvamos al ejemplo en una fuente conmutada al 90% de eficiencia con 20a de consumo en 13.8v, si le aplicamos las correspondientes formulas me quedan 6.39A en la sección de 48v.
La formula adaptada:
η = Pout / Pin
η= [Vout x Aout] / [Vinp x Ainp]
extraemos Ainp de la formula, que es la intensidad de la entrada (sección 48v)
Ainp = [Vout x Aout / η ] / Vinp
Ainp = [13.8v * 20A / 0.9] / 48v = 6.388A
el 0.9 es el factor correspondiente a la eficiencia del 90%, donde el máximo es 1 para el 100%, que como dije antes es inalcanzable.
Puedo equivocarme, no soy ningún experto en cálculos, si me rectificáis me estaréis ayudando.

J.Rivero EA7HV-IM77HL
Solo MAF 50, 144, 432 Mhz, proximamente 70 y 1200 Mhz.
Para aprovechar el hilo. Estoy buscando un regulador CC entrada 48 V salida 12 V corriente máxima 50 A, para conectarlo a la salida de una fuente conmutada modelo P1500E-30 de COSEL. Busco un circuito sencillo ya que como la fuente de 48 V dispone de una entrada de control remoto, a la salida de 12 V tengo pensado poner un circuito vigilante tensión/corriente de la carga para que pare la fuente en caso necesario. No he encontrado nada que me guste en internet, por eso pregunto por aquí haber si alguien conoce. Gracias.
50 A a 12 V es mucha chicha, yo tengo un par de estos y van muy bien pero 10 o 12 A máximo.
Suerte en la búsqueda.
73. EA1AV Agustin
La radioafición me ha dado algunos quebraderos de cabeza, pero muchas mas satisfacciones.
Hola,
En E/Bay venden unos módulos chinos que hacen eso, y los hay de 50A y 60A;

Luego hay unos módulos que se usan en equipos profesionales (y los puedes encontrar en módulos de desguace y similares) que admiten 48v de entrada y suelen tener una o varias salidas de 12, 5 y 3.3V y varias potencias.
Suelen ser de marcas tipo Ericsson, Alcatel, Lucent, etc.
Tienen el siguiente aspecto;


73, Máximo - EA1DDO
Máximo Martín - EA1DDO / HK1H / M0HAO
EA1DDO@HoTMaiL.com
http://www.EA1DDO.es
Muchas gracias
QDURE - https://qsl.ure.es
Imprime y confirma tus QSL en tan solo tres click.
Nunca fue tan fácil y cómodo
el confirmar tus contactos.
TIENDA ONLINE URE
Publicaciones, mapas, polos, camisetas, gorras, tazas, forros polares y mucho más...
WEBCLUSTER EA4URE
Conoce el nuevo WebCluster de URE, ahora con nuevos filtros e información y compatible con GDURE









