Mi nombre es Francisco, EC5 AKK; estoy reparando una radio antigua marca Demer y modelo Wilson 109, necesito el esquema, alguno podría facilitarlo; quiero suprimir el ruido de fondo que sale mezclado cuando sintoniza; las válvulas que lleva actualmente son: 5U4G, 42, 6SQ7, 6K7 y la 6SA7; las originales que aun conserva son las: 5U4G, 6K7 y la 42.
Agradezco de antemano todos los datos que podáis aportar; un saludo cordial.
Hola,
Si el ruido que mencionas es un zumbido de alterna, sustituye el condensador electrolítico doble, de filtro, por dos condensadores de capacidad y tensión parecidos (de 47 a 100 microFaradios 450 V). Estarán próximos y asociados a la válvula rectificadora 5U4G, no es crítico, pero actualmente cuesta mucho encontrar condensadores electrolíticos de tensión tan elevada.
Suerte con la reparación.
73, Ernesto - EA3ERD
73/72, Ernesto - EA3ERD
Ex: EA-3-1253-U (SWL 1966), EC3ABC (1999)
EA3ERD desde 2004
"Pisarás el umbral del bienestar, cuando empieces a sentirte satisfecho con apenas nada"
Muchas gracias EA3ERD; cuando llego a mis manos solo tenia de 20 µf y esta pasado a 220v, pero con esa entrada de tensión al transformador no conseguía arrancar; yo lo he dejado a 125 v y con esa alimentación tenia la salida de 6,3 y la de 350v, sustituí el condensador de filtro que era de 20 µf por uno de 33µf.
He conseguido el esquema de la lampara rectificadora (5U4G) y esta conexionada como tu me comentas, pero me quedan algunas dudas con ese esquema, de cuanto es la resistencia que va a masa? y la inducción de 6H; entiendo que esta tiene que ser la conexión teórica, voy a intentar encontrar los componentes y haré los cambios; entiendo que la persona que hizo la modificación tendría que tener la información de un conexionado alternativo.
Bueno estas tareas me entretienen mucho y continuare hasta que aclare el sonido lo mas aceptable posible; agradezco toda la información posible; un cordial saludo.
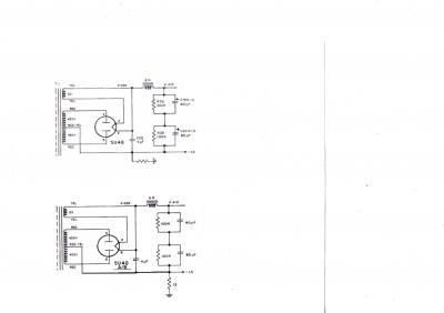
Por si te sirve de orientación, adjunto un esquema de una radio que utiliza la válvula 5U4G como rectificadora.
La inductancia suele ser de 5H a 10H, y los condensadores electrolíticos de 47 microF 500V.
73, Ernesto - EA3ERD
73/72, Ernesto - EA3ERD
Ex: EA-3-1253-U (SWL 1966), EC3ABC (1999)
EA3ERD desde 2004
"Pisarás el umbral del bienestar, cuando empieces a sentirte satisfecho con apenas nada"
Muchas gracias Ernesto EA3ERD; lo miro y te comento a lo largo de la semana que viene; 73 EC5AKK.
Buenas tardes EA3ERD; tengo los condensadores, pero las inductancias no las encuentro por ningún lado, he mirado hasta en aliexpress; la más alta que he visto es de 470 uh; tu crees que trabajara bien; un saludo cordial y muchas gracias.
Hola,
La inductancia de 470 uH es muy pequeña.
Actualmente es muy díficil, por no decir casi imposible, encontrar inductancias de varios Henrios, pero no te preocupes, puedes sustituirla por una resistencia de un valor de 1K, 1,2K, o 1,5K bobinada o de carbón, de 2W o 3W, seguro que va a funcionar bien.
Te adjunto el enlace a un video sobre la reparación de un receptor, precisamente DEMER, en el que al comienzo del minuto 10:45 empieza a comentar la utilización de una resistencia en lugar de la inductancia.
También, un esquema de una fuente de alimentación clásica con resistencia en lugar de la inductancia.
Espero que esto te sirva de orientación.
73, Enesto - EA3ERD
73/72, Ernesto - EA3ERD
Ex: EA-3-1253-U (SWL 1966), EC3ABC (1999)
EA3ERD desde 2004
"Pisarás el umbral del bienestar, cuando empieces a sentirte satisfecho con apenas nada"
Muchas gracias por el interés que te tomas con migo; cuando me lleguen los condensadores, hago los cambios en la alimentación y te contare.
Llevo oficialmente un mes jubilado, tengo muchos hobbies, entre uno de ellos es el cacharreo con la electrónica y retomar la radio afición, que la tenia un poco apartada por el trabajo; reitero las gracias; un saludo cordial EA3ERD Ernesto.
Buenos días.
Efectivamente, se puede sustituir la bobina del pi por una resistencia, perdiendo un poco de eficiencia y de rechazo al rizado, pero no es relevante en un receptor que consume poco a la salida del pi.
Existe otra opción, que es emplear como bobina (self) el primario de un transformador de 230V - que puede tener esos Henrios que acertadamente mencionas - pero es un poco más complicado, porque hay que aplicar una corriente contínua en el secundario para "neutralizar" los amperio-vueltas del primario y que no se sature el núcleo (esta ingeniosa solución no es mía: la vi en un libro francés). Para evitar esto, una "self" "auténtica" lleva un entre hierro.
Saludos y ánimo
Javier Muriedas
Muchas gracias EA1AWY; voy a intentar buscar esta ingeniosa solución por Internet y en cuanto tenga todos los componentes os comentare la diferencia que hay de colocar la resistencia o la del trasformador; actualmente la radio funciona, pero en el momento que sintoniza una emisora el rizado de la fuente se mezcla con la emisión, le puedo reducir el ruido recortando la longitud de antena, pero deja de ser selectiva; también estoy valorando sustituir la lampara rectificadora por un puente de diodos, pero no me queda muy claro como eliminar esta lampara; voy a intentar poner un esquema de la lampara que he encontrado por Internet.
Que tensión tendría que aplicar en el secundario?: muchas gracias EA1AWY.
"actualmente la radio funciona, pero en el momento que sintoniza una emisora el rizado de la fuente se mezcla con la emisión, le puedo reducir el ruido recortando la longitud de antena"
Buenas noches.
Tienes que revisar el circuito del CAG.
Cuando hay mucha señal aumenta la tensión del CAG, que va a las rejillas de las dos primeras válvulas y por ahí te entra el zumbido.
Dices que acortando la antena baja el zumbido, claro !! baja la tensión del CAG.
Es un circuito de alta impedancia. Habrá resistencias de 1 Megohmio y condensadores a masa que pueden estar mal. Cambialos.
Ya contarás.
SAludos, ea5vn José Luis
José Luis, Cartagena.
Buenos dias Francisco, EC5AKK.
Estoy dándole vueltas a tu radio. Creo que la válvula rectificadora no es la suya. La 5U4G es demasiado válvula para un musiquiero. Quiero decir que suministra 225 mA de alta tensión y consume 3 A de filamento a 5 Voltios.
Una radio como esa llegará a consumir alrededor de 70 mA y una rectificadora 5Y3 consume 2 A de filamentos y suministra 125 mA de contínua.
La 5Y3 es muy corriente en radios como ésta.
Te envío un esquema que puede parecerse mucho al de tu radio.
Y las características de la 5U4 y de la 5Y3
Si puedes, envía una foto del chasis por arriba y por abajo. Céntrate en el transformador porque dices algo de que estaba a 220 V y lo pasaste a 125 V. Los condensadores de filtro y la inductancia famosa.
A ver si así te podemos ayudar.
Y si pones tu correo eletrónico, mucho mejor.
Saludos.
José Luis
ea5vn@ure.es
José Luis, Cartagena.
Buenos días a todos.
Adjunto el esquema que mencioné, pero veo acertadas las recomendaciones de Ernesto y Jose Luis y creo que deberías de seguir sus sugerencias antes de modificar la fuente.
El rizado no debería ser problema con el filtro en pi con resistencia, para un aparato de bajo consumo como mencionan ambos, si los dos condensadores no están secos, claro.
También me encontré autooscilaciones en circuitos de cag con el condensador de retardo descapacitado, aunque en receptores de estado sólido.
Si decidieras hacer la self con transformador, deberías de cambiar el esquema que adjunté pues ese es para una fuente de baja tensión. Deberías poner el primario del trafo de 230V como self y tendrías que alimentar el secundario con una corriente que fuera la relación de transformación de veces mayor para cancelar la continua del primario.
Un ejemplo con cifras espero que se vea más claro y aclaro que es lo que se me ha ocurrido a mí, que no tiene por qué ser correcto:
Supongo que quiero filtrar una corriente de 40mA.
Escojo un transformador que soporte esa corriente o algo más en su primario: 230 x 0,04 = 9,2VA. Escojo el mayor valor standard de tensión que encuentre en la tienda. Supongo 12V + 12V y una corriente de 0,5A (24 x 0,5 = 12VA).
Compruebo con un inductámetro o midiendo su corriente de vacío conectado a 230V que el valor de la inductancia el adecuado. Yo medí ayer la de un transformador de este tamaño aproximadamente y rondaba los 4 Henrios. A mayor potencia suelen tener menor inductancia.
Poniendo momentáneamente primario y secundario en serie y alimentando el primario, mido la tensión total con el polímetro y - viendo si se suman o se restan - marco con un punto la fase de los devanados.
Calculo la relación de transformación (poniendo 240V en el primario para que me salga más "redondo" el ejemplo)
240 / 24 = 10 >> la corriente que debo aplicar en el secundario es diez veces mayor que la del primario, es decir 400mA.
Pongo un puente rectificador seguido de un electrolítico grande en el devanado de 6,3V que alimenta los filamentos de todas las válvulas menos la rectificadora. La tensión continua obtenida será aproximadamente (6,3 x1,41) - 1,2 = 7,7V.
Mido la resistencia del secundario de 24V. Voy a suponer 1 ohmio. Para que pasen 400mA necesito una resistencia total de 7,7 / 0,4 = 19,25 ohmios. Restando el ohmio que ya tiene el secundario, debo añadir una resistencia de 18 ohmios. La potencia que disipará será de 18 x 0,4 x 0,4 = 2,88w, luego escojo una resistencia de 18 ohmios 4 ó 5W.
Como ves, es un poco complicado si puedes conseguir casi lo mismo con una simple resistencia. Pero bueno, como ejercicio para estos tiempos de enclaustramiento, no ha estado mal, no?
Saludos termoiónicos
Javier Muriedas
Además, revisando el circuito que he puesto, me da la impresión de que uno de los puntos en el transformador tendría que estar en el otro extremo del devanado.
Javier Muriedas
He pedido a Francisco que envíe fotos. Mira que si el altavoz es electrodinámico...
Ahí va un esquema que puede ser muy parecido. Lleva las mismas válvulas excepto la rectificadora que es un 80 en vez de la 5Y3
José Luis, Cartagena.
Hola buenos días Y feliz dia del padre a todos; Como digo al principio cuando llegó a mis manos estaba conectado a 220V, y no arrancaba, ni ruidos ni tensión en filamentos; medi la resistencia en los filamentos de lámpara y todos estaban operativos , con pérdidas más en unas que en otras,Ejemplos: 5U4G = 0,08, 42 = 0,19, 6K7 = 0,37, 6SQ7 =0,51 y la 6SA7 0,52 ohmios; sustitui todos los condensadores electrolíticos y los de papel, también sustitui los condensadores que presentaban manchas y abultamientos, aunque alguno de estos daban el el capacimetro su valor; como es de suponer puse los valores aproximados porque hoy es muy difícil, por no decir que imposible encontrar en el comercio los mismos, las tensiones de los componentes sustituidos son todas superiores a los 450 voltios; me fije bien en los cambios que a simple vista se veían y decidí pasar le alimentación a su valor original 120 voltios; le di tension de unos 5o voltios durante unos 2o minutos, pasado este tiempo fui subiendo la tensión poco a poco hasta llegar a oír el clásico ruido de fondo, con mucho ruido de alterna; empecé a sustituir los condensadores y una vez terminado su colocación, el aparato funcionaba "bien"; tenía tocadas las bobinas y trimers, yo no dispongo de instrumental para poder darle un ajuste óptimo, vivo en Xirivella un pueblo del cinturón de Valencia, digo esto último porque me faltaba radio 5 y poco a poco deje las 4 emisoras que tenemos en Valencia en su sitio.
El sonido como digo no es claro, cuando sintoniza alguna emisora aumenta en zumbido de alterna y si le recorto la longitud del cable de antena mejora el sonido pero pierde selectividad; por otra parte, para que en aparato tenga un volumen aceptable, tengo que subir la tensión de alimentación a 115 voltios, pero con esta tensión la rectificadora y la 42 amplificadora se calientan en exceso.
Mis conocimientos en electrónica son muy básicos, se puede decir que empecé con unos 8 años con una revista de Radio Maymo que encontré en un estercolero; bueno no me voy a extender porque sería para escribir un libro, de una época donde en mi casa se pasaban algunas necesidades.
Para evitar gastos pensé en sustituir la rectificadora por diodos y encontré un tutorial en Youtube de una persona muy amable, no puedo decir su nombre, porque nose si le parecería bien; le mande el esquema que tengo de esa válvula, que es muy parecido al montaje que tiene actualmente, y me mando al correo electrónico los cambios a realizar, cambios muy sencillos pero creo que serán muy efectivos.
Muchas gracias EA1AWY; la inducción de 6 henrios aparece en el esquema de lampara, pero todo lo que me comentas para sustituir por un transformador, lo veo un poco complicado para mis conocimientos; de todas formas te doy las gracias.
Jose Luis EA5VN; creo entender que la revisión del circuito CAG, es porque el rizado podría ser por una falta en la lámpara amplificadora.
Llevo jubilado por enfermedad un mes, después de 2 años muy jodidos de hospitales, he estado muy bajo de moral, pero gracias a personas como vosotros veo que voy a disfrutar de esta nueva etapa de la vida. tengo que retomar hobbies que por trabajar lejos de casa tenia parados; la radioafición, la telegrafía, el cacharreo con la electrónica y aprender de los demás; muchas gracias....Ernesto EA3ERD , EA1AWY y Jose Luis EA5VN.
acompañó esquema rectificadora y su cambio por diodos, voy a intentar poner las fotos que me pides José Luis y mi correo electronico; muchas gracias.
Francisco Pardo Garcia EC5AKK, correo electrónico todo en minúscula; pardillovia@hotmail.com
Perdonar no me deja poner las fotos y no se porque.
Francisco, envía las fotos por correo electrónico.
ea5vn@ure.es
SAludos.
José Luis
José Luis, Cartagena.
Hola Francisco.
Gracias por tus agradecimientos, valga la redundancia.
Mi padre también aprendió Radiotecnia con el curso Maymó. Como él decía, era uno de los hijos de Maymó. No encontró la revista en un estercolero como tú, pero no pudo comprar todas las lecciones. Hizo lo que pudo, que dadas las circunstancias ya fue mucho.
También creo comprender tu estado de ánimo tras tus vicisitudes hospitalarias. Hace cinco años pasé por algo similar (menos tiempo) y me lo has recordado. Yo he vuelto a trabajar (hasta este parón forzoso) pero recuerdo aquella época "jodida".
Sigue comentándonos tus progreso por aquí. Al final llegaremos a buen puerto.
Un abrazo
Javier Muriedas
QDURE - https://qsl.ure.es
Imprime y confirma tus QSL en tan solo tres click.
Nunca fue tan fácil y cómodo
el confirmar tus contactos.
TIENDA ONLINE URE
Publicaciones, mapas, polos, camisetas, gorras, tazas, forros polares y mucho más...
WEBCLUSTER EA4URE
Conoce el nuevo WebCluster de URE, ahora con nuevos filtros e información y compatible con GDURE









