Tengo un conmutador coaxial Bird 7440 para 75 ohmios 1 entrada y 3 salidas tipo N hembras. La idea es usarlo para nuestras antenas de 50 Ohm montándolo en el frontal del rack donde va un amplificador con una 3Cx1500, su fuente de alimentación y un Pre/postselector de la Harris. Creo que podría usarlo a cambio de una desadaptación de impedancia que tampoco me supondria mucha pérdida de potencia pero he visto que existen los adaptadores de impedancia de 75 a 50 y viceversa. Si no me equivoco el pin central de los conectores N macho de 50 y 75 ohms difieren entre si por lo que tendria que cambiar las Hembras del conmutador.
Veo mucho entretenimiento para tan poco beneficio porque además tendria que taladar el panel frontal donde va montado para fijarlo y no sé si sería mejor seguir con los conmutadores MFJ/Daiwa que uso habitualmente.
Que opinión/solución podríais darme. Gracias
73, Pepe
como dices correctamente los conectores N son diferentes,no te compliques,un saludo
EB3DYO.
FRANCISCO.
Tengo un conmutador coaxial Bird 7440 para 75 ohmios 1 entrada y 3 salidas tipo N hembras. La idea es usarlo para nuestras antenas de 50 Ohm montándolo en el frontal del rack donde va un amplificador con una 3Cx1500
Corregidme si estoy equivocado;
Si ese ampli tiene ajuste de impedancia a la salida, puedes "llevar" el ampli a 75 OHm.
73, Máximo EA1DDO
Máximo Martín - EA1DDO / HK1H / M0HAO
EA1DDO@HoTMaiL.com
http://www.EA1DDO.es
Gracias Francisco tambien creo que no merece la pena cambiar los conectores N de 75ohm.
Máximo te refieres al C7 y L6 ? . Desconozco si el amplificador tienes esa posibilidad puesto que es un surplus militar de la Navy americana modificado hace muchos años y del que no guardo documentos ya que se perdieron en un traslado. Tendria que mirarlo y al ser muy pesado no es tan fácil sacarlo del rack. Estos amplificadores se usaban tambien en emisoras de radioadifusion y costeras como previos para excitar el amplificador final de 10Kw.
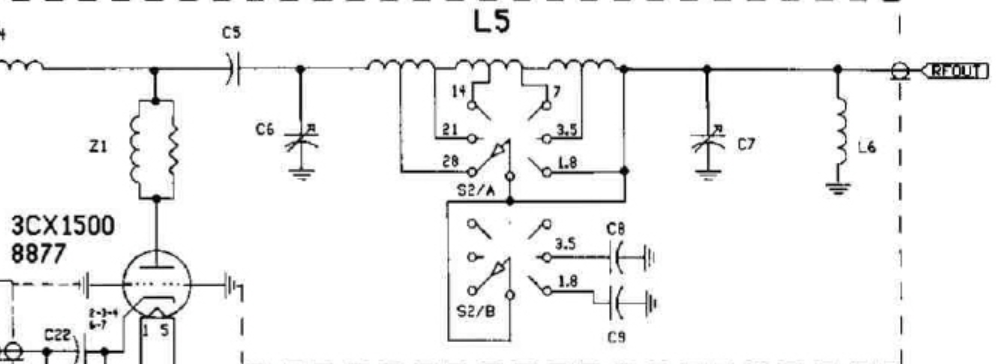
Esa parte del esquema que muestras con la misma válvula que tengo , me puedes decir de donde la has sacado, o el enlace a ella. Me interesaría obtenerla.
Muchas gracias.
73, Pepe
Si no sales de la HF no tienes que hacer nada.
La longitud de onda es tan grande que no verá desadaptación en absoluto.
Usalo como si fuese de 50 ohm.
GUILLERMO - Cantabria VUSHF
Según sus características, creo que no aguantaría la potencia de esa válvula.
Dificil determinar eso...
700 W. continuos (Norma MIL y siendo un Bird... coeficiente de seguridad x2 ?) a 100 Mhz. Y la potencia continua puede ser el doble a 30 Mhz.
Probablemente maneje potencias de 1500 W. y más sin mayor problema a 30 mhz. lo cual es lo normal para ese tubo (sí, puede más...pero mejor ahí).
Al no ser de 50 ohm. esto puede reducirse un poco (30 Mhz.) ya que la intensidad de RF es superior, y los contactos de los relés suelen calentarse por intensidad... pero eso siendo idealista respecto a la impedancia del sistema.
La desadaptación introduce algo de calentamiento.. puesssss.... depende, a saber lo que va a ver el relé detrás... que las antenas no están a 50 ohm. exactas y los cables intervienen y... etc... y todo es muy relativo.
Los relés de los amplificadores de HF ni son coaxiales, ni tienen impedancia característica definida, por el contrario... si se midieran igual daban cientos de ohmnios y desadaptaciones brutales... que no van a ninguna parte.
Lo que importa es cuanta corriente soporta el contacto... ahí es donde los relés sufren de verdad.
En Resumen... es muy dificil decir cuanto aguanta, siendo un Bird de norma MiL.... pero, esperar el doble de lo que dice no es para nada aventurado y hasta 30 Mhz. casi todo funciona.
GUILLERMO - Cantabria VUSHF
Respecto a los conectores...
Utiliza el N macho de 75 ohm. no cambies nada.
¿por qué?
- Porque No hay que cambiar nada. Facil, rapido y sencillo.
¿Creéis que los conectores M (PL-259) tienen 50 ohm...? - Va a ser que no... y seguramente 75 Ohm. tampoco... igual digo 100 y me quedo corto. Quien sabe. (si alguno se aburre puede calcular por diámetros y cosas de esas).
El conector PL es "una banana apantallada" y va perfecto en HF....
No os preocupéis de la impedancia, no es tan importante. Es más la corriente AC que pueda aguantar.
Si lo conectas con unas clemas de electricista aguantaría igual.... o incluso mejor, quien sabe.
73's...!
GUILLERMO - Cantabria VUSHF
#410274: el fabricante da 2 puntos ("gordos") y -como se sabe como varía la capacidad de potencia con la frecuencia y la ROE- se puede extrapolar a 28.5 MHz: P<1.4 kW con S=1 y P~960 W con S=1.5 (aprox.)
73 de Manolo.
Iinteresante, pero hay un error... La extrapolacion con dos datos te conduce a una función lineal..
Y, como sabes, la formula de calculo de la potencia maxima admisible es logaritmica y de desarrollo complejo.
Tomando en cuenta la atenuacion vs frecuencia (exponencial), la temperatura maxima, la resistencia del contacto Rf(skin efecto), la tension maxima de ruptura, la intensidad maxima (cuadraticas), la Roe, y lo que se me olvide, bufff....
Segun ta extrapolacion dada a 10 Mhz. Soportaria 2'5 kw. Continuos y a 1 Mhz. 8'5 Kw. Lo cual no es cierto, ya que a esa potencia se destruiria. Pero seguro que a 30 Mhz. la potencia continua es mayor... y ojo... que hablamos de continua, Tx todo el tiempo.
La potencia maxima admisible sigue una funcion logaritmica y se aplana en la HF con un limite maximo que determina la Imax del contacto y la Vruptura para una temperatura dada.
Si se mira por dentro cualquier conmutador de HF se verán relés sin adaptar y pistas y cables con cientos de ohm. De impedancia...y relés muy sencillos...y los venden para 1'5 kw.
Interesante desarrollo como se mediria la pot.maxima de un dispositivo.... Pero me temo quese necesita conocer la estructura interna y muchos datos.... Muchisimos.... Calculo por elementos finitos... O la regla de la abuela;todo rompe por el sitio más debil: el contacto... Mas gordo, mejor.... (Bird norma mil) 😜
GUILLERMO - Cantabria VUSHF
Una lectura interesante....
https://www.radiall.com/media/document_library/Technology_guide_Rev_1.0.pdf
Al final... esto se nos va de las manos 😆
Paso una gráfica típica de la respuesta en potencia de un relé coaxial (down key) similar... donde se ve como evoluciona la potencia.
GUILLERMO - Cantabria VUSHF
los conmutadores MFJ/Daiwa que uso habitualmente
Esos sí que no son de 50 ohm... Si los mides con un VNA te puede dar la risa... o una visión de la realidad de la HF.
Si las antenas están con baja ROE te irá bien, con los unos y con el otro.. y si tienen ROE alta y le das candela... pues arderássss..... 😆 🤣 🤣 .
Chaoooo y suerteeee...
GUILLERMO - Cantabria VUSHF
Gracias a todos por vuestras aportaciones técnicas y prácticas.
Muchos factores y muy tecnicos intervienen en la discusión que hacen que desista de intentar usar el conmutador dado que actualmente tengo otros haciendo su comentido, En todo caso no lo usaría a la máxima potencia que suministra la 3CX1500 despues de haber leido el pdf de Guillermo y vuestros comentarios. Y si Guillermo, respecto a los conectores N de 75ohms lo fácil es hacer latiguillos con N machos de 75, pero me temo que el conmutador va a seguir durmiendo el sueño de los justos.
Muchas gracias
73, Pepe
QDURE - https://qsl.ure.es
Imprime y confirma tus QSL en tan solo tres click.
Nunca fue tan fácil y cómodo
el confirmar tus contactos.
TIENDA ONLINE URE
Publicaciones, mapas, polos, camisetas, gorras, tazas, forros polares y mucho más...
WEBCLUSTER EA4URE
Conoce el nuevo WebCluster de URE, ahora con nuevos filtros e información y compatible con GDURE



