Me lo vendió un "amigo" diciendo que "necesitaba un ajuste".
La parte de medida parece que lo hace bien, aunque el cristal del medidor llegó roto, pero creo que tengo repuesto, comprado en Ebay. Al menos tengo un medidor de SWR grande y pesado. Está comprobado con otro medidor.
Con el automático la cosa cambia. El motor gira, pero pase lo que pase las SWR está entre infinito y 8 cuando se inserta el acoplador. En directo sin insertarlo mide bien. El motor gira bien y hace que la aguja de SWR cambie desde 8 a infinito.
En resumen, lo que está mal es el acoplador en si. Como es de 100W, dicen que 200, y ponen que aguanta 500, me temo, conociendo al interfecto con lineales gordos, que le haya metido mucha potencia y haya frito los condensadores fijos, o peor el conmutador que inserta el acoplador. He marcado los sitios en rojo, mas bien me temo que sea el conmutador, sería raro que se hayan quemado todos los condensadores, claro que si la pasada de frenada ha sido en 80, ahí están todos.
El sistema de comparación que pararía los motores con SWR 1,5:1 no se como está porque siempre está por encima de eso. Aunque le acoples la carga de 50 OHm, si pasa por el acoplador... se desmelena todo.
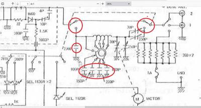
El esquema es de entrada por condensador a masa, bobina en serie, y 2 condensadores variables de 250pf de salida uno a masa y otro en serie, movidos con una relación de velocidad 10:1. Aparte hay un par de condensadores de 30pf para ajuste fino.
Lo malo que hay que hacer mucho desmontaje. Pensaba que el problema estaba en el automatismo y lo usaría como acoplador manual motorizado, pero si el problema está en los condensadores fijos de entrada o conmutadores... me toca desmontaje.
Como está muy tocado, me va atocar revisar todo por si hay un corto en las chapas, pero de momento creo que será el mierdi-conmutador que pone o baypasea el acoplador, o los condensadores a masa de la entrada del acoplador.
Lo hace en todas las bandas, y me mosquea, si es el mierdiconmutador lo puedo dejar siempre puesto en linea.
Supongo que era un buen chisme, pero los materiales son un poco heterogeneos, por un lador hilo de plata y por otro conmutadores de poca calidad.
¿Alguno teneis referencia de una avería parecida?
Gracias EA1FC
Hola, no sé tu nombre, pero te daría alguna idea, a pesar de, :😉
Sacar condensador marcado y comprobarlo con medidor ad-hoc
Limpiar bien y/o cambiar conmutador, asegurar contactos.
Proveerse de resistencias que hagan 100, 200 ohms aprox para ver si adapta la ROE que provocan. QRP.
Llevarlo a la gasolinera e insuflarle el compresor para expulsar mierda.
¿Era de fumador?. Obrar en consecuencia.
Soldaduras.
Sí se usó mucho, los condensadores tienen vida limitada, medirlos.
¿Acopla manual también? (supongo que no)
Algunos acopladores establecen un límite de ajuste....
Y eso.
73. Diego
Pues me llamo Javier.
El acoplador incorpora una carga de 50 Ohm, que en bypass da 1:1 como corresponde, pero en automático la cosa se desmadra hasta 20:1 tengo delante un medidor de precisión que mide hasta 20:1 y al arrancar la cosa oscila entre 8:1 y 20:1 (o mas, solo puedo ver hasta ahí.)
El esquema no se corresponde porque éste tiene las bandas WRAC, pero el salto de capacidad coincide practicamente identicamente, por ejemplo entre 20 y 15 aunque por el medio haya la banda de 18Mhz
La única diferencia es que el del esquema empieza con 270pf para 10M y éste con 371pF, podría ser diferencia en 10m si llevasen la misma bobina, pero en 80m con 1600pF la diferencia sería mínima, y se comporta igual en todas las bandas.
No es que no pare en la zona acoplada, es que no acopla, y el medidor externo de SWR automático oscila pero sin bajar de 3 o 5:1. Por lo tanto lo de probar si parar en 1:1,5 de momento nada.
Si parase tiene un par de condensadores de 25pF para mejorar manualmente la SWR.
En general el mínimo (entre 1:3 y 1:5) lo viene teniendo sobre la carga de 50 Ohm con el condensador serie de salida totalmente cerrado, como si faltase condensador... pero hace lo mismo en 10m.
Los conmutadores e interruptores no parecen de gran calidad pero dan bien con el polímetro.
Total que un lio
Habría que desmontar mucho y con soldador gordo, para comprobar los condensadores. Porque el resto de pura chapa. Hace falta un soldador potente para desoldar los hilos plateados de 2,5mm
No se si lo volveré a guardar.
Hablando de soldador gordo, el condensador variable que debería ir a masa, estaba mal soldado, por eso no acoplaba Para soldar ahí hace falta un soldador gordo. Es mejor pillar algo averiado, que algo que han intentado reparar mal. Tenía un pedazo pegote, pero no hacía contacto con el estator del condensador. El condensador a masa que gira lento.
Bueno, ya acopla, y marca bien las estacionarias, pero de momento no se para aunque tenga menos de 1,5:1.
Eso es otra avería. Como marca SWR y acopla, voy a ver el sistema de parada, y si no doy con él, accionaré yo el motor a mi gusto, mas lento, ahora va demasiado deprisa, y si te pasas tienes que hacer otra vuelta del condensador rápido
Bueno, ya me he metido dentro, que tenía pocas ganas a ver si arreglo algo.
La caja mágica hace tres cosas, por un lado un 555 está vibrando, y luego pasa por un rectificador multimulti doblador de tension que va a un TA7179P que genera las tensiones positivas y negativas para el operacional principal. Eso lo hace porque se supone que se alimenta a 13,8VCC, si se alimentase a CA sería mucho mas fácil.
El operacional principal por un lado toma la tensión reflejada del medidor de estacionarias y la compara con otra regulable internamente. (extrañamente no compara con la directa) Es decir el punto de parada depende totalmente de la potencia con que se mide. Aunque un cero es un cero 🙂 Pero como el 1:1 no existe... la tensión que sale de la reflejada siempre depende de la potencia
La salida del operacional va a un Darlington 2SD549 (1A, Hf 4000) que está en el retorno a masa del motor. El motor consume 100mA medidos. Y va a toda velocidad, quizás excesiva. Esa es la avería que tiene ahora
El circuito es imperfecto, no compara directa con reflejada, dice que pongas 10W (o 5 o 2 según el selector), y compara la tensión de reflejada con una tensión interna fija. Sería mejor que comparase la directa con la reflejada, no se porque no lo hace. Tengo un par de watímetros que lo hacen así independientemente de la potencia.
Tengo una duda, como el motor va a toda leche, si cuando funcione, según se aproxime la tensión de reflejada a la de control, el motor irá bajando de velocidad, o si simplemente el operacional actua como un interuptor, todo/nada. Si reduce la velocidad es mas fácil que se pare en un mínimo de SWR sin pasarse. Siempre requiere un pequeño retoque con dos condensadores de 25pF de ajuste fino
Hasta ahí la teoría no me he metido en faena.
Y tengo mis dudas, me manejo mejor con una 3-500Z a 3000V que con las cosas de estado sólido.
Lo fácil, que el Darlington estuviese en corto y todo lo demás funcionase. En este caso, ¿se puede medir con un polímetro de 20MOhm de entrada, la tensión de salida del operacional, la de base del Darlington? Si esa tensión sube y baja pero el transistor conduce es que está malo. Tengo mis dudas porque es de 1A y el motor consume 100mA, pero está sin radiador y dentro de una caja, es tamaño T0220 o parecido
Mas complejo, no hay tensión simétrica para alimentar el operacional producida por el 555 (vibrador) y el TA7179P (fuente simétrica) . Y por tanto el operacional no puede funcionar. En ese caso quizás ponga una fuente simétrica alimentada en CA. Hay muchos componentes antiguos en esa fuente simétrica
Mas raro, se ha estropeado el operacional, creo que es poco probable. En ese caso ya haría toda la placa nueva alimentada en alterna, solo con el operacional y el Darlington. Y de paso comparando reflejada con directa.
El modelo que tengo es algo mas moderno que el esquema que circula por internet, en el de internet la tensión de referencia de SWR de parada está en paralelo con el instrumento de reflejada y dice (exige) que hay que ajustar con 10W . En el que tengo la referencia pasa por un divisor de tensión, y logicamente disminuye la tensión interna en el operacional que comparará con la que viene de reflejada, tiene tres posiciones 2, 5 y 10W.
Como esto me ha llegado después de pasar por la manos de un manazas que dejó la malla de un condensador con un pegote pero aislada de masa, ya no se si habrá desajustado la tensión de referencia. Como conozco al que me lo vendió, compra en mercadillos y lo que se le atasca se lo vende a "amigos" pero nunca mais. Tres son tres. Por eso me dan mas ganas de reconstruir la electrónica con cosas modernas, y alimentando en alterna, que intentar repararla
Ahora a medir cuando resuelva mis dudas con el estado sólido.
Bueno, de momento la cosa no pinta bien. Al 555 le llega bien tensión, pero a la fuente simétrica solo le llega 1,5V después de no se cuantas re-multiplicaciones de la tensión de salida del 555 (demasiados condensadores electrolíticos y diodos, 10 y 8 respectivamente) , no se si pillar el osciloscópio para ver lo que sale del 555 o ya lo desahucio. La fuente simétrica ya no da tensión para el operacional. De momento a ver si hago una fuente simétrica y alimento el operacional, a ver si consigo algo. Pero la cosa queda en suspenso.
Sigo con las preguntas, supongo que cuando la tensión de SWR se aproxime a la de referencia el Darlington empezará a reducir la velocidad del motor. ¿O eso funciona como un todo/nada con frenazo brusco?
Pero de momento, ahí se queda. A ver si pienso/copio un esquema que tenga en cuenta la relación directa/reflejada, y no solo el valor absoluto de la tensión producida por la reflejada, lo que obliga a trabajar con una potencia exacta. Con menos potencia pararía antes, con mas potencia no pararía nunca. Se ve que es un chisme antiguo.
Seguro que ahora hay un chip que hace todo 🙂 preguntaré a los fans del Arduino.
¿Cual sería una tensión habitual del operacional? supongo que +5V y -5V respecto a un cero. Como no se del asunto a ver si me puedo ahorrar la fuente simétrica. O quizás aprovechando la que trae y pasando del multiplicador a partir del 555, a ver que tensiones serían normales.
El chisme en si consume poco, 120mA en marcha, 17mA en reposo. Apenas un par de watios.
Yo intentaría repararlo según el diseño original y lo de intentar mejoras, después. Eso me decía mi padre y tuve que darle la razón más de una vez.
Además, si lo que falla es el generador de tensión simétrica con el 555 y los multiplicadores de tensión, tiene que ser fácil de arreglar y posiblemente funcione correctamente todo una vez que la alimentación del operacional sea la correcta.
Un saludo y suerte. Sigue contándonos, si te apetece.
Javier Muriedas
yo de estado sólido no se gran cosa y de lógica digital menos
Al final los condensadores de tantalio a la entrada de la fuente simétrica estaban bien. Y el 555 frito, nada tiene zócalo, un lio.
En el esquema hay tres partes separadas, el 555 y su multiplicador, la fuente simétrica, y el entorno del operacional
La salida del operacional al Darlington, que tiene el colector a positivo y el emisor al motor, que tiene el otro polo al negativo de la fuente.
El operacional compara la tensión de SWR con otra que saca de un potenciómetro, pero por ahí andan tres transistores que no se que es lo que hacen. El Darlington va en conducción pura y dura y el operacional tambien todo o nada sin realimentación.
Voy a hacer en una plaquita aparte una cosa mas sencilla, un operacional comparador y un transistor de 1,5A, no creo que haga falta Darlington si el operacional puede dar 20mA y el motor consume 100mA. Cuando la tensión de SWR baje de un valor determinado el motor se parará.
Para jugar he pedido una plaquita para Arduino con salida en H para dos motores, por menos de 3€ puesta en casa enviada desde España, pero eso sería solo si lo manejo manual, para dar marcha atrás si me paso del punto. Va muy rápido y es dificil parar. No se si los tres transistores que andan por ahí son para eso, aunque realmente el circuito original es todo/nada. Y en valor absoluto del voltaje de reflejada, sin tener en cuenta la directa, se ve que confía mucho en que pasa por cero. Quizás los tres transistores tengan que ver con el cero, al decidir poner alimentación simétrica al op.
A ojo (va muy deprisa) le veo haciendo muchos mínimos, aunque no sean ceros, con diferentes combinaciones de condensador, hay un mínimo en cada vuelta del condensador rápido, aunque nunca he visto realmente un cero, y ese mínimo lo veo con combinaciones de capacidad un poco extrañas, como 20pF para 80m o 200pF para 10m. Quizás cuando tenga la electrónica funcionando solo se parara en un CERO patatero
De todos modos en general no me gusta con un solo motor que mueve los dos condensadores con una relación 1:20 o así, y que el motor solo gira en un sentido, y solo mide la tensión absoluta de SWR. Tengo otro acoplador que tiene dos motores en el Pi uno para la entrada y otro para la salida, y que además giran en los dos sentidos, como se haría a mano.
Pero de paso me voy divirtiendo. Lo que uso realmente cuando puedo, son gordotes manuales, y acoplador de relés entre el transceptor y el lineal. Ahora por problemas de antena tengo un lineal pequeño de 400W y uso "my ole trusty" Yaesu FC-902, por vicio 🙂 y para mirar los instrumentos, porque la antena está bien ajustada. Y quizás ahí podría ir el Daiwa al menos como medidor con las agujas cruzadas. Lo compré hace mas de 7 años y hasta ahora no me ha dado por meterle mano. Como a muchas otras cosas, con eso del confinamiento trateo mas con los cacharros.
Al final los condensadores de tantalio a la entrada de la fuente simétrica estaban bien. Y el 555 frito, nada tiene zócalo, un lio.
Bueno el 555 no solo estaba frito, también puesto al revés.
Ya lo dije, es mejor recibir algo averiado que "reparado"
La placa de es baquelita mala, corté las patas del 555 y de paso rompí una resistencia 🙂 puse un zócalo, un 555, los condensadores y resistencia, y salió funcionando.
El sistema es malote. Primero se selecciona la potencia en el transmisor, 1, 5 o 10W. de acuerdo con el conmutador posterior, para siempre. Eso es importante, Luego se pone el conmutador en la banda adecuada, se sube el drive del transmisor hasta que la aguja marque en directa 1, 5, o 10W según selección. Se ponen los condensadores manuales al centro,... y se aprieta el botón de marcha.
El motor arranca y se va parando en mínimos de SWR mas o menos buenos, se pueden reajustar con los dos condensadores manuales. Si te pasas, como el motor siempre va en un sentido, hay que esperar a que vuelva con su tanda de mínimos de SWR. A veces el mínimo es 1:1 y no hay duda, pero a veces por intentar mejorar un 1:1,5 hay que esperar la vuelta entera y luego bajar ese 1:1,5 con los condensadores manuales.
Bueno, funcionando y de vuelta al armario... 🙂 para los herederos. Después de 7 años ya era hora de que le metiese mano, ¡¡Mas madera...!! jodío confinamiento.
QDURE - https://qsl.ure.es
Imprime y confirma tus QSL en tan solo tres click.
Nunca fue tan fácil y cómodo
el confirmar tus contactos.
TIENDA ONLINE URE
Publicaciones, mapas, polos, camisetas, gorras, tazas, forros polares y mucho más...
WEBCLUSTER EA4URE
Conoce el nuevo WebCluster de URE, ahora con nuevos filtros e información y compatible con GDURE


