En el título digo posible porque no sé si tiene la culpa. Resulta que ayer estando en transmisión (80W), se apagó el TX sin más, lo vuelvo a encender sólo con 10 watios, no pasa nada, pero llegando a unos 40 watios oigo un ruidillo, como un zumbador dentro de la fuente, por el lado derecho y abajo, ahí no hay nada más que el bobinado. según voy subiendo la PWR del TX no pasa nada, hasta que llegando a los 50 w se vuelve a apagar el equipo, la fuente no se apaga, como si no fuera con ella la avería. Para ver quien tiene la culpa, si la fuente o el equipo, cambio de fuente y no hay problema en la transmisión, llego a 100 w. Vuelvo al principio, conectar el TX a la Daiwa y se repite la misma canción, subiendo la potencia y llegando de los 50 watios suena de nuevo el zumbido que hace temblar un poco incluso la tapadera, se apaga de nuevo el TX. La cosa está clara, creo, es la Daiwa la que está mal, pero ¿donde?, el puente rectificador está bien, no huelo a quemado, y el zumbido se localiza en el mismo sitio. ¿Será que el devanado está mal?, porque ya no sé que pensar. La Daiwa tiene más de 30 años y ha trabajado bastante, no sé si le ha llegado el momento de la jubilación. Qué opináis?. Perdonad el ladrillo, pero no he sabido abreviar más. José Luis
José Luis, dime el modelo, que yo tengo la grande y otra más pequeña y los esquemas, a ver qué se me ocurre.
Ánimo y un saludo.
73. Diego
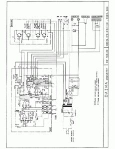
Buenos días amigos, gracias. Lo que me mosquea es que cuando transmito (CW) el golpeteo de los puntos y rayas suenan dentro de la fuente, tan fuerte que pongo la mano y noto el temblor del tamborilleo. Sospecho que le entra la RF de mi TX. He medido el puente rectificador a la salida, normal, no hace nada raro mientras está la portadora, no se apaga y el voltaje/amperaje no varía, pero sí se apaga el equipo. ¿Pudiera ser que el retorno de la RF que hay en la fuente, vuelva al equipo y este se proteja apagándose?. Ya os comentaré. Diego es la Daiwa PS304. José Luis
Pudiera ser, J.L.
Prueba con una carga artificial adecuada, a ver qué pasa. Mira que los cables estén bien apretados en las bornas y éstas no giren porque se hayan aflojado. Aunque todo esto me extraña, aunque pudiera ser posible, como dices. Estas fuentes son magníficas. No deberían dar problemas “raros”.
Revisa la conexión del fusible, que haga buen cierre.
otra idea: búscate una o varias bombillas de faro y se las conectas a ver…
un abrazo, amigo.
73. Diego
Hola,
Prueba a utilizar, como carga de ensayo, una lámpara de faro de automóvil halógena o normal de las antiguas.
Estas lámparas suelen ser de 55 W y, aunque pone 12 V, en realidad están previstas para funcionar a unos 14 V, que es la tensión de servicio que suministra el alternador con el motor en marcha.
Un saludo y suerte con la fuente.
73/72, Ernesto - EA3ERD
Ex: EA3-1253-U (SWL 1966), EC3ABC (1999)
EA3ERD desde 2004
"Pisarás el umbral del bienestar, cuando empieces a sentirte satisfecho con apenas nada"
Gracias Kdos. Con carga artificial, apretando bornas, mirando cables, lo lamento pero no tengo osciloscopio. La salida es normal de 13´8 v. regulable y pasando de 50 w tracatrás, se apaga el equipo, pero no la fuente que sigue con el chicharreo del morse cuando transmito. No me caliento la cabeza, la aparto y pongo otra y veremos lo que dice el compi que quiere se la lleve. José Luis
QDURE - https://qsl.ure.es
Imprime y confirma tus QSL en tan solo tres click.
Nunca fue tan fácil y cómodo
el confirmar tus contactos.
TIENDA ONLINE URE
Publicaciones, mapas, polos, camisetas, gorras, tazas, forros polares y mucho más...
WEBCLUSTER EA4URE
Conoce el nuevo WebCluster de URE, ahora con nuevos filtros e información y compatible con GDURE


