A ver si hay suerte y alguien lo tiene... y si tuviese un manual de servicio ya sería para nota, pero no albergo muchas esperanzas 
73 JOSE EB5AGV
73 JOSE - EB5AGV
http://agvradio.com
http://jvgavila.com
No tengo ni esquema, ni manual, pero si recuerdo que Intal era un fabricante de Almeria.
A lo mejor éste te le puede mandar.
Saludos
ea1ajk
Hola José.-
Tengo el esquema del Paloma SB 403, si aun no lo has encontrado te lo puedo enviar.-
Manuel EA7KH
ea7kh@ure.es
Hola Manuel,
EA7KH escribió:Hola José.-
Tengo el esquema del Paloma SB 403, si aun no lo has encontrado te lo puedo enviar.-
Manuel EA7KHea7kh@ure.es
Gracias por el ofrecimiento. El colega José Antonio EA7CHO ya me lo ha proporcionado.
73 JOSE EB5AGV
73 JOSE - EB5AGV
http://agvradio.com
http://jvgavila.com
Hola! me podria enviar el esquema de la Intal?
Seria de gran ayuda 🙂
Muchas Gracias
ea3ieq@gmail.com
73!
Buenos días, me podríais facilitar el esquema del PALOMA que no lo encuentro por ningún sitio y eso que lo he tenido.
Saludos y gracias.
EA7RZ
Alguien tiene el esquema ?
Si es posible me lo envie a easieterz@gmail.com
Gracias.
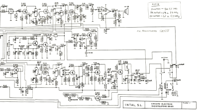
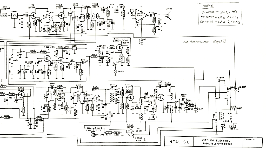
No son de buena calidad pero sirven para andar cacharreando, si algun@ lo tiene en mejores condiciones y me los puede pasar se lo agradecería.
Saludos, Juanma EA7RZ
si algun@ lo tiene en mejores condiciones
Para que tenemos la IA...
73, Máximo EA1DDO
PD. Solo le mandé procesar la primera imagen, a modo de prueba. Pero se puede hacer con las otras también.
Máximo Martín - EA1DDO / HK1H / M0HAO
EA1DDO@HoTMaiL.com
http://www.EA1DDO.es
si algun@ lo tiene en mejores condiciones
Para que tenemos la IA...
73, Máximo EA1DDO
PD. Solo le mandé procesar la primera imagen, a modo de prueba. Pero se puede hacer con las otras también.
Que la I.A. haya quitado las marcas del celo no hace que sea mejor. Un par de ejemplos: el nombre del integrado amplificador de audio en la esquina superior derecha y la inscripción a mano junto al cable del positivo que alimenta al mismo. Miré primero primero el esquema "regenerado" y no conseguí distinguir lo que ponía, mientras en el "original" se ve que pone "TDA2002" y "FRECUENCÍMETRO".
Lo más moderno no siempre es lo mejor.
Un saludo
Javier Muriedas
Que la I.A. haya quitado las marcas del celo no hace que sea mejor
Javier, como eres... 🙄
Yo no he dicho en ningún sitio que "sea mejor". Lo que sí dije es que era "a modo de prueba". Como todo, no es perfecto.
Solo trataba de ayudar, y mostrar una herramienta disponible. Cada uno luego tiene que usar las herramientas como quiera.
73, Máximo EA1DDO.
Máximo Martín - EA1DDO / HK1H / M0HAO
EA1DDO@HoTMaiL.com
http://www.EA1DDO.es
Mejor tener lo 2 que ninguno.
Si quieres buenas respuestas haz buenas preguntas
73 de Angel, EA2ET.
No te lo tomes a mal, Máximo. Todos tratamos de ayudarnos y eso siempre es loable. Simplemente hice esa observación porque me pareció "mágico" lo que había hecho la IA limpiando el esquema y me desengañé un poco al abrirlo y ampliarlo. Y recordé la obsesión que tenemos por actualizarnos a lo último y que no siempre es acertada. Recuerdo haber cambiado la -de aquella- última edición de un libro ("el Malvino", Fundamentos de Electrónica) hace muchos años a un compañero, por una edición anterior, porque en la primera venían contenidos sobre RF que fueron cambiados después por otros sobre la simulación de circuitos. Cuestión de gustos.
Un saludo a todos
Javier Muriedas
Retomando el tema de este equipo, tengo uno de 20 metros "descerebrado", supongo que al igual que pasó con el de 40 metros lo pondré en marcha tarde o temprano....
Lo que pasa es que no lleva el Xtal del frecuencimetro y estoy investigando con los diversos integrados que lleva, que hacen de divisores de frecuencia, intentando adivinar la frecuencia del Xtal, por el momento no lo veo claro.
Sabéis de algun@ que tenga un Paloma de 20 metros para que me diga la frecuencia del Xtal, me evitaría muchos quebraderos de cabeza.
Saludos, Juanma EA7RZ.
Pd.- Gracias Máximo por ese esquema tan clarito, el mío llevaba años perdido por la estantería y casi roza la edad de los pergaminos.
Los circuitos integrados de la placa del frecuencímetro son:
MC14521
SN74LS90N
MC14013
MM74C925N
Retomando el tema de este equipo, tengo uno de 20 metros "descerebrado", supongo que al igual que pasó con el de 40 metros lo pondré en marcha tarde o temprano....
Lo que pasa es que no lleva el Xtal del frecuencimetro y estoy investigando con los diversos integrados que lleva, que hacen de divisores de frecuencia, intentando adivinar la frecuencia del Xtal, por el momento no lo veo claro.
Sabéis de algun@ que tenga un Paloma de 20 metros para que me diga la frecuencia del Xtal, me evitaría muchos quebraderos de cabeza.
Saludos, Juanma EA7RZ.
Pd.- Gracias Máximo por ese esquema tan clarito, el mío llevaba años perdido por la estantería y casi roza la edad de los pergaminos.
Veo dos alternativas:
1.- El 74C925 es el contador propiamente dicho y los demás son divisores de frecuencia. Por ejemplo, el 7490 puede dividir por 2, 5 ó 10 dependiendo de qué patillas conectes. Los demás, lo mismo. Por tanto, habría que seguir las pistas y consultar los datasheet de los integrados para verlo, es decir, sacar el esquema de la placa. Laborioso pero no imposible.
2.- Poner un cristal "a boleo", por ejemplo 10MHz y ver qué frecuencia marca, sabiendo la que tiene que marcar, y deducir si necesitas el doble, la mitad, la cuarta parte, ... Por ejemplo, seleccionar 14MHz (VFO al principio de la banda y recibiendo una señal de esa frecuencia). Si con el cristal de 10MHz indica 7000.0KHz el contador está contando la mitad del tiempo necesario, luego el cristal "corre" el doble de rápido, luego necesitas uno de 5MHz.
Desde luego, lo primero que hay que comprobar es que el cristal que pongas oscile, lo que se puede ver si realiza medidas que cambien al variar el dial.
Un saludo
Javier Muriedas
Estoy en ello, viendo que salidas se utilizan y descartando las que no.
No es fácil y se necesita mucho tiempo, pero lo intentaré a ver si doy con la tecla.
Muchas gracias por tu comentario.
Saludos, Juanma EA7RZ.
Hola a todos, aprovechando el hilo del tema, he hecho una consulta a la IA, y me ha respuesto lo siguiente:
---‐-------------------------------------------------------------
"Construir un frecuencímetro digital con estos componentes es un proyecto clásico y muy educativo de electrónica digital "de la vieja escuela". Básicamente, vas a crear un sistema que cuenta cuántos pulsos entran en un segundo y los muestra en displays.
Aquí tienes cómo encaja cada pieza del rompecabezas:
2. Diagrama de bloques del sistema
Para que el frecuencímetro funcione, los componentes deben comunicarse en este orden:
- Entrada de Señal: La señal que quieres medir entra (posiblemente pasando por el 74LS90 si quieres dividirla entre 10 para medir frecuencias más altas).
- Base de Tiempo (MC14521): Genera una señal cuadrada muy precisa.
- Lógica de Control (MC14013): Toma la señal de la base de tiempo y genera dos señales críticas para el MM74C925:
- Latch En: Para "congelar" el número en el display mientras el contador sigue trabajando.
- Reset: Para poner el contador en cero y empezar una nueva medición cada segundo.
- Conteo y Visualización (MM74C925): Recibe los pulsos y los muestra en 4 displays de 7 segmentos (cátodo común).
3. Consideraciones Técnicas Importantes
- Niveles de Voltaje: ¡Cuidado aquí! El SN74LS90 es tecnología TTL (5V estrictos), mientras que los otros son CMOS (pueden trabajar de 3V a 15V). Si alimentas todo el circuito, asegúrate de que sea a 5V estables para no quemar el 74LS90.
- El Cristal: Para el MC14521, lo ideal es un cristal de 4.194304 MHz. ¿Por qué? Porque al ser una potencia de 2 (2^{22}), al dividirlo sucesivamente obtienes exactamente 1 Hz (1 pulso por segundo).
- Displays: El MM74C925 está diseñado para displays de Cátodo Común. Requiere transistores (como el 2N3904) para el multiplexado de los dígitos.
4. ¿Cómo empezar?
Te recomiendo montar primero la Base de Tiempo con el MC14521 y verificar con un LED que esté parpadeando exactamente una vez por segundo. Sin una base de tiempo confiable, la lectura de frecuencia será errónea."
---‐-------------------------------------‐--------------------------
Prueba con un cristal de 4.194khz, creo que es un valor bastante corriente y es fàcil de localizar, a ver si suena la flauta 🙂
73, Joan
QRV 121.755 -119.655 khz AM
Maó, Illes Balears
Hola a todos, aprovechando el hilo del tema, he hecho una consulta a la IA, y me ha respuesto lo siguiente:
---‐-------------------------------------------------------------
"Construir un frecuencímetro digital con estos componentes es un proyecto clásico y muy educativo de electrónica digital "de la vieja escuela". Básicamente, vas a crear un sistema que cuenta cuántos pulsos entran en un segundo y los muestra en displays.
Aquí tienes cómo encaja cada pieza del rompecabezas:
2. Diagrama de bloques del sistema
Para que el frecuencímetro funcione, los componentes deben comunicarse en este orden:
- Entrada de Señal: La señal que quieres medir entra (posiblemente pasando por el 74LS90 si quieres dividirla entre 10 para medir frecuencias más altas).
- Base de Tiempo (MC14521): Genera una señal cuadrada muy precisa.
- Lógica de Control (MC14013): Toma la señal de la base de tiempo y genera dos señales críticas para el MM74C925:
- Latch En: Para "congelar" el número en el display mientras el contador sigue trabajando.
- Reset: Para poner el contador en cero y empezar una nueva medición cada segundo.
- Conteo y Visualización (MM74C925): Recibe los pulsos y los muestra en 4 displays de 7 segmentos (cátodo común).
3. Consideraciones Técnicas Importantes
- Niveles de Voltaje: ¡Cuidado aquí! El SN74LS90 es tecnología TTL (5V estrictos), mientras que los otros son CMOS (pueden trabajar de 3V a 15V). Si alimentas todo el circuito, asegúrate de que sea a 5V estables para no quemar el 74LS90.
- El Cristal: Para el MC14521, lo ideal es un cristal de 4.194304 MHz. ¿Por qué? Porque al ser una potencia de 2 (2^{22}), al dividirlo sucesivamente obtienes exactamente 1 Hz (1 pulso por segundo).
- Displays: El MM74C925 está diseñado para displays de Cátodo Común. Requiere transistores (como el 2N3904) para el multiplexado de los dígitos.
4. ¿Cómo empezar?
Te recomiendo montar primero la Base de Tiempo con el MC14521 y verificar con un LED que esté parpadeando exactamente una vez por segundo. Sin una base de tiempo confiable, la lectura de frecuencia será errónea."
---‐-------------------------------------‐--------------------------
Prueba con un cristal de 4.194khz, creo que es un valor bastante corriente y es fàcil de localizar, a ver si suena la flauta 🙂
Me parece una observación correcta
Javier Muriedas
QDURE - https://qsl.ure.es
Imprime y confirma tus QSL en tan solo tres click.
Nunca fue tan fácil y cómodo
el confirmar tus contactos.
TIENDA ONLINE URE
Publicaciones, mapas, polos, camisetas, gorras, tazas, forros polares y mucho más...
WEBCLUSTER EA4URE
Conoce el nuevo WebCluster de URE, ahora con nuevos filtros e información y compatible con GDURE








