Publicidad Google grande + Astroradio
URE foro pequeñas
Mini Acoplador QRP
 
Notificaciones
Limpiar todo

Mini Acoplador QRP

EC1T
 EC1T
Mensajes: 1380
#406779  - 24 noviembre, 2025 23:05 

Hola,

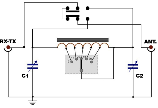
He visto en Mini Acoplador QRP "DIY Antenna Tuner Kit 1 -30Mhz"

en "Kit sintonizador de antena DIY  Radioaficionado QRP..."

Alguien lo a montado...

image

·

image

·

image

·

Rotary Switch Completed with Soldered Toroid

image

·

Hay un video muy interésate de EA3GRN lo a montado con unas anotaciones interesantes

···

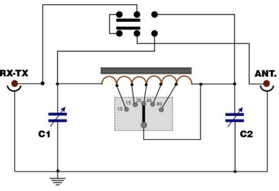
Por otro lado he visto uno similar montado en "Antena Manual QRP z-match, sintonizador de 5W, 3-28 MHz"

image

·

image

·

image

·

·

· Video de EA4FPW explicando su funcionamiento con buenas conclusiones positivas...

·

·

- Información relacionada en:

· Acoplador para una EFHW

· Tres acopladores para QRP Acoplador de marca LDG Z-817 , MAT-10 ,  y el CS-818.

image

·

·  Modificación CB Matchbox de la Zetap por EA3IW

image

·

· Acoplador de CB remodelado para HF por EA7FY

image
image

·

·

·

73 Carlos EC1T 

 

 


Carlos EC1T
Ex. EA1DVY
Soria in81

ResponderCitar
Inició el tema
EA2AJO y EA7NK reaccionaron
EB2AQH
Mensajes: 41
#406825  - 26 noviembre, 2025 16:18 

Hola Carlos,

Pues tengo los dos primeros acopladores QRP que comentas.

El que viene en kit DIY Antenna Tuner Kit 1 -30Mhz  para montar es el que mas uso le doy ya que tiene un margen muy amplio de acople y viene bien para salir al campo con un hilo largo o con una antena telescópica. También me gustó porque la verdad es que disfruté haciendo el montaje.

El QRP Z-match va bien pero tiene mejor margen de acople que el anterior.

Quizás el que mas me gusta como acoplador QRP manual (no automático) es uno que compre hace años en UK, antes del brexit , pero que se sigue vendiendo aunque mas caro. En la mochila del IC-705 lo encajas en un lateral y con la antena telescópica conectada lo llevas puesto y puedes incluso hacer QSO andando en toda las banda de HF, incluso en V y UHF.

image

Para finalizar te recomiendo encarecidamente el AT-10 / AT-100 como acoplador automático. Va de maravilla, es económico y te lo puedes montar tu en kit sin problemas, o montado si así lo prefieres. Vine preparado para trabajar entre 1 y 100 W

 

image
image

ResponderCitar
EA2AJO y EC1T reaccionaron
EA1CN
Mensajes: 4711
#406826  - 26 noviembre, 2025 16:21 

Yo lo He montado, al menos 4 veces. El último, hace 1 mes, pero le di la vuelta y lo hice en PI en vez de en T y funciona “casi” mejor.

El Zmatch tuner ese también lo tengo y el ZM-2 y el ZM-4 (cojobueno) y el que más casi uso es el Sudden del G-QRP.

pero vamos, que el chino ese, también funciona. Y las cajas, tirado lo de dentro, también.😜


73. Diego

ResponderCitar
EC1T reaccionó
EC1T
 EC1T
Mensajes: 1380
#406858  - 27 noviembre, 2025 18:24 

Hola,

Gracias a todos por la informacion...

·

·

Publicado por: EB2AQH

...acoplador QRP manual (no automático)...

image

... compre hace años en UK, antes del brexit , pero que se sigue vendiendo aunque mas caro. En la mochila del IC-705 lo encajas en un lateral y con la antena telescópica conectada lo llevas puesto y puedes incluso hacer QSO andando en toda las banda de HF, incluso en V y UHF.

·

...

 

 

He mirado algo similar en la web www.radioworld y esta al mismo precio £108,29 sin IVA

Wonder wand widebander versión mkii: antena que cubre un rango masivo de 1,8 a 432 MHz.

:::

Por otro lado he visto en la web de www.amazon.es

el modelo "DAZZLEEX Antena de sintonización de banda completa, mini ANT 20W QRP antena de onda corta HF"

image

pero dice que no esta disponible...

 

image
image

·

:::

·

Pero en la web es.aliexpress.com, hay un modelo similar llamado "

WUKONG365 Tunable Antenna Tuner  Mini-ANT 20W QRP" por el precio de 21€ 

·

image

·

 

image

.

image
image

...

Especificaciones:

– Frecuencia ajustable: 5MHz-55MHz para envío y recepción

– VSWR inferior a 1,5 a 7MHz/10MHz/14MHz/21MHz

– Potencia: 20W

– Recepción FM 76mhz-108mhz

– Puede recibir frecuencias UHF VHF.Con función de asistencia de transmisión

– Ajustar la frecuencia mediante su perilla; y el interruptor de banda selecciona las bandas altas y bajas de onda corta

– Tamaño estirado 140 cm/55,1′′ (incluido sintonizador).Fabricado en acero inoxidable.

– Tamaño sin estirar alrededor de 30 cm/11,8 ′′ (incluido el afinador).Tamaño del sintonizador 10 x 3 x 3 cm/3,9 x 1,2 x 1,2 ′′ (largo x ancho x alto)

– Parte superior con conector macho M4.Salida M macho (predeterminada) o conector macho BNC
 

...

 

En el video de  EA4FPW #A173 Antena para QRP y modificación para mejorarla expone que es mejor ponerle Contra Antena al mini/acoplador/QRP

Antena para QRP y modificación para mejorarla

image

 

https://www.youtube.com/watch?si=bOc2leG5MjgLMStj&v=sbXaDI83vxM&feature=youtu.be

 

:::

:::

Otro video similar en Económica Antena QRP de Aliexpress

 

·

·

·

- Información relacionada en:

· Antenas para Senderismo expedicionario.

·

·

·

73 Carlos EC1T

 

 

 


Carlos EC1T
Ex. EA1DVY
Soria in81

ResponderCitar
Inició el tema
EA2AJO reaccionó

QDURE - https://qsl.ure.es


Imprime y confirma tus QSL en tan solo tres click.

Nunca fue tan fácil y cómodo
el confirmar tus contactos.

TIENDA ONLINE URE


Publicaciones, mapas, polos, camisetas, gorras, tazas, forros polares y mucho más...

WEBCLUSTER EA4URE


Conoce el nuevo WebCluster de URE, ahora con nuevos filtros e información y compatible con GDURE