Buenos días,
Necesito el manual técnico de un viejo repetidor Teltronic RP-30SU, y estaría muy agradecido a quien me lo pudiera facilitar. Con el esquema eléctrico del transmisor me valdría.
En inet se encuentra facilmente, pero no corresponde a la versión que estoy reparando (por enesima vez).
THe preguntado al fabricante y no me pueden ayudar por ser un equipo obsoleto.
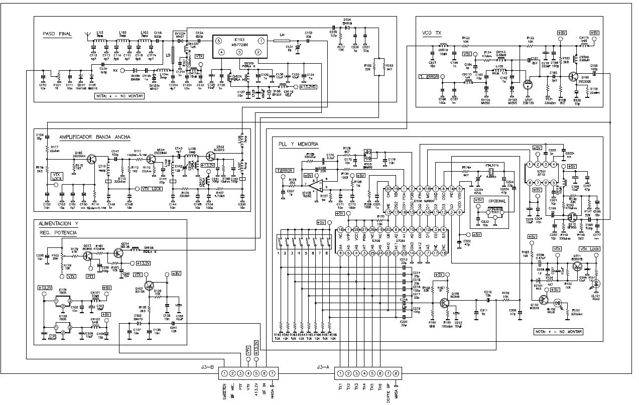
Adjunto un archivo con el esquema eléctrico del modulo transmisor que se encuentra en la red, pero que no es el que yo necesito.
Muchas gracias!!
73.
ea7gl@yahoo.es
Antonio J. Castillo
Morón IM77GD
QDURE - https://qsl.ure.es
Imprime y confirma tus QSL en tan solo tres click.
Nunca fue tan fácil y cómodo
el confirmar tus contactos.
TIENDA ONLINE URE
Publicaciones, mapas, polos, camisetas, gorras, tazas, forros polares y mucho más...
WEBCLUSTER EA4URE
Conoce el nuevo WebCluster de URE, ahora con nuevos filtros e información y compatible con GDURE

