Muchas gracias a todos por la información, efectivamente la Yaesu ft710 dudo que soporte los 100mA, he mirado por todos lados y manuales de servicio y no encuentro lo que soporta, escribí también a Yaesu a ver si responden .
Lo mejor será acoplar el relé. Como bien indicáis es una solución económica, los “ya fabricados y adaptados” además tienen un precio desorbitado para lo que es.
La yaesu FT 710 trae un minidin de 8 pines
El pin 2 tx-gnd y el pin 3 gnd son los que darán la salida al PTT.
tabien hay un pin de salida 13,8v
Gracias por la comprensión sobre mis nociones de electrónica que estoy aprendiendo.
Entiendo que por un lado conecto al relé los dos pines 2 y 3 de Yaesu, por otro lado desde la fuente de alimentación el positivo y negativo? y luego la salida al amplificador es sencilla con un RCA.
Os agradezco el nivel de detalles que estáis aportándome, y el tiempo 🙏
he estado mirando los que pusisteis que son optó y montados en placa para arduino, no sé si ya vienen con el diodo que comentáis necesario, que supongo el Omron lleva ya todo montado me decantaré por el más sencillo.
Un saludo grande. 👌
El de Omron no lo encuentro seguiré buscando o en una tienda de electrónica. Sino he visto estos en AMAZON… optoaislados, pero no sé si la placa lleva ya el diodo.
No se..pero con ese pedazo rele como el de la foto 10Am. Casi casi igualas al del ampli..Para ese viaje no necesitas alforjas..JaJaJa
73..
Luis>5BR€
jAJAJAJ cuanta razón, ahí demuestro mi escaso conocimiento, al final lo mismo me compro el cable ya fabricado con el relay, pero me parece tal estafa pagar 60€....
Si alguien puede ayudarme lo haré sino pues a pagar...
Hola de nuevo Sergio..Estuve ojeando varios videos referente a tu tema..Y llege a la conclusion Que Yaesu e Icom no tienen nada que ver en lo referente a salida amplis.. Que no sean de su marca..Todos lo Icom llevan un RCA Hembra SEND para conectar cualquier ampli No Icom..Este conecto RCA Lo unico que hace es derivara a tierra al apretar el PTT .Evidentemente si intercalas un rele en ese conector con un +12 en una pata y la otra pata al RCA se enclava..El resto es facil Un cable con conector RCA al ampli. y el otro extremo de ese cable a las lamianas del rele..Todo muy facil y asi lo tengo yo en mis 2 DRAKES.. Y es el sencillo circuito Que expuse..De hecho ya tenia preparado el mini rele y los cables para que me pasaras tu direccion y enviartelos..Pero Sergio .mi sorpresa a sido Q Yaesu no tiene ese sistema tan sencillo de Icom..Tienes Que sacar esa derivacion a tierra del MINI DIN..Que has expuesto..Y francamente Sergio no me atrevo a decirte de tal o cual pata de lo 8 terminales que lleva es la correcta .Aparte que veo una resistencia de 1K..En varias patas..?? ..
Tienes 3 opciones
1º. Pasar por vicaria y gastarte la pasta en el cable adecuado (supongo yaesu lo tendra )
2º.Alguien Que esté leyendo este foro y lo tenga hecho y nos ilustre
3º .Medir con un tester de aguja ( no digital) Con un borne a +12 de la fuente y con el otro buscar entre las 8 patas el negativo cuando apretas el PTT y cundo tengas claro que pata es, lo expones por este medio (yo estare atento) y te mandaria el rele y los cable ya listos para conectar..
Es cuanto puedo ofrecerte Sergio..
73.
Luis>5BR€
Jolines Luis de verdad pues mil gracias por tu tiempo, eso sí que no lo esperaba gracias. No sé qué decirte 😍
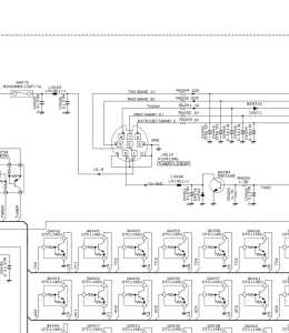
El minidin de 8 pines con cable lo tengo de Camino y la salida que trabaja el PTT es del TxGND pin2 y GND pin 3. He mirado los diagramas de la Yaesu. Adjunto imagen.
Son los que al apretar el PTT actúan.
He visto un vídeo de ea3grn en YouTube ( 118 INTERFACE…) y estaba intentando sacar conclusiones de ahí para hacerme el relé.
Un abrazo grande señores!! Gracias
Hola:
Yo utilizaría este relé optoacoplado por poco más de 1€, ya montado.
Lo que el equipo va a excitar es un optoacoplador que realmente es el que excita el relé de la placa PCB.
Un saludo
Imanol
EC2DX
Gracias Imanol esos montados justo son, era confirmar las tomas de entrada y salida para acoplarlo a Yaesu FT710 y verificar que ese optó es el adecuado para este uso 👌
ya que Yaesu saca al relé desde un minidin de 8pines. Y no está muy claro la conexión. Pero en principio creo ya lo tenemos, falta validación jejej.
Desde luego Que si. Con el opto. Es la manera mas segura, y si tienes un +12 en alguna pata del minidin..mejor que mejor..Lo tienes chupao Sergio..Al final la 2º opcion Que te di fue la definitiva..Me alegro Que hayas encontrado la solucion mas acertada..Buen montaje..
73..
Luis>5BR€
Muchas gracias a todos por las aportaciones. Cuando lo monte todo y lo pruebe con el amplificador, dejaré un resumen para quien lo pueda necesitar.
Un saludo!!
Ya tengo el cable realizado, como bien indicais, era muy sencillo todo en cuanto hag aunas fotos las subo. Como aportación me trasladan esto desde el servicio técnico:
Para YAESU FT 710 Aess
Un saludo grande a todos los compañeros 73!
Mira tu Que bien..Y nosotros mareandonos con salvaguardar la integridad de la radioi, y resulta que la Conmutacion la hace electronicamente..( una ventaja si algun dia haces QSK completo) Pues adelante.. Directo al ampli..
No borres el mensaje del servicio tecnico, por si cascara ese trans. de 5Amp..
73..Amigo
Luis>5BR€
Y si casca dirán que es por otra causa y se lavaran las manos.
Yo pondría siempre relé.
EA3FNM ex-ec3ccq Pedro Barcelona ea3fnm@gmail.com
Exacto..Te culparan por poner un accesorio extraño donde no debias y no haber usado sus ampli y sus cables originales....JaJaJa..Nunca se sabe,..Pero yo tambien pondria ese modulo con opto. Por muchos Amp. Q aguante ese trans..Aunque sigo opinando Que ese rele del modulo está de mas..
Elige tu Sergio..Nosotros somos meros expectadores...
Aguantará los amperios de dice pero a ver qué pasa con un pico!!!!
EA3FNM ex-ec3ccq Pedro Barcelona ea3fnm@gmail.com
QDURE - https://qsl.ure.es
Imprime y confirma tus QSL en tan solo tres click.
Nunca fue tan fácil y cómodo
el confirmar tus contactos.
TIENDA ONLINE URE
Publicaciones, mapas, polos, camisetas, gorras, tazas, forros polares y mucho más...
WEBCLUSTER EA4URE
Conoce el nuevo WebCluster de URE, ahora con nuevos filtros e información y compatible con GDURE









