Hola:
Estoy buscando información sobre el previo que construye PA3BIY, que tal va.
Un saludo.
EA1FCH
EF1T-EF1M CONTEST CALL
OP: PEDRO.
Hola Pedro.
Yo tengo el LNA de Peter (PA3BIY) y me funciona de maravilla, está dando 24 dB de ganancia con solo 0,2 dB de ruido.
Lamentablemente Peter hace años que no los fabrica, puede que aun le quede alguna placa. Puedes preguntarle poniendote en contacto con el enviándole un mail (dirección en QRZ.com). También suele estar muy a menudo en el chat de ON4KST.
En la dirección adjunta hay un artículo interesante sobre como montar este previo:
http://frenning.dk/OZ1PIF_HOMEPAGE/images/Building_description_v2.pdf
Saludos
EA5EMM
EA5EMM
Julio
Hola, yo tengo dos montados, a falta de ajustar (uno para 2m y otro para 70cm) y otros dos, tambien uno para cada banda, a medias de hacer.
A ver que tal sale el ajuste, por que los medios son pocos.
73.
Mi hijo me hace profundamente feliz
TNX & 73,
Pedro EA4ADJ IM88jw http://ea4adj.jimdo.com/
La solana. Que pueblo, galan!
Es curioso que el fabricante anuncie 450 MHz hasta 4 GHz y un NF de 0,5 dB.
Sin embargo, parece ser que funciona perfectamente en 145 MHz y que las figuras de ruido son mejores.
Me cae bien, este HEMT.....
73
Luis - EA4BGH - IN80BL - Las Rozas de Madrid
2m 70cm 23cm 3cmRX y 3cm/P
Hola,
¿Ese previo no era el diseño de este otro famoso previo?
http://www.ure.es/foro/5-vhf-uhf/2644-previo-atf54143-componentes.html
¿O eran diferentes?
73, Máximo - EA1DDO
Máximo Martín - EA1DDO / HK1H / M0HAO
EA1DDO@HoTMaiL.com
http://www.EA1DDO.es
Hola,
Si Maximo ,es el "famoso" no saca mas de 20db en 144mhz cuando no autoscilla y 14db en 432mhz, lo hice foncionar a mas ganancia pero con unas modificaciones y sin autoscilacion, uno fonciono hasta 26db lo deje en 22db por el ruido.
Cojer los montages de WA2ODO esto si foncionan,el transistor es caro,el BV-LNAH-1.3FHX35HP va muy bien 1296mhz pero el transistor de 20ghz se va a 15 euros.
Monto unos en 1296mhz con ATF54143 de entrada ,filtro y MMIC en salida de 29db y 0,3db de ruido,esos tambien van bien,los MHP145 van bien,pero el transistor es absoleto y cuando se encuentra es caro.
Voy a probar con los 20ghz que utiliza WA2ODO .
un saludo.
Ramon
ea3kp@yahoo.es
ea3kpbcn@gmail.com
EA5EMM escribió:Hola Pedro.Yo tengo el LNA de Peter (PA3BIY) y me funciona de maravilla, está dando 24 dB de ganancia con solo 0,2 dB de ruido.
Lamentablemente Peter hace años que no los fabrica, puede que aun le quede alguna placa. Puedes preguntarle poniendote en contacto con el enviándole un mail (dirección en QRZ.com). También suele estar muy a menudo en el chat de ON4KST.
En la dirección adjunta hay un artículo interesante sobre como montar este previo:
http://frenning.dk/OZ1PIF_HOMEPAGE/images/Building_description_v2.pdf
Saludos
EA5EMM
Hola a todos:
Hoy por la mañana le envie un correo a Peter y esta es la contestación:
Hello Pedro,
Thanks for the 2m QSO on October 15th, hi! Conditions were UFB!
Yes, I can supply LNAs. The price is 128 Euro (+5 Euro for postage). Specs:
Gain: 22 dB
NF: < 0.3 dB (typical 0.25 dB)
Input IP3: +0...+4 dBm
Output IP3: +22...+26 dBm
I build each LNA individually, hence the deliver time is about 2 weeks.
Best 73s,
Peter
Tengo unas dudas ya se lo mandé a el pero si vosotros lo sabeis mejor, ¿Tiene ya los reles de conmutación? Y si no trae los reles que circuito tendría que montar para ponerlos para que cuando TX no se rompiera.
Un saludo.
EA1FCH - PEDRO
PD: Soy nuevo en las MAF, y cada día mas me gustan.
EA1FCH
EF1T-EF1M CONTEST CALL
OP: PEDRO.
Si, efectivamente Peter sigue vendiendolos, a mi incluso me lo mando sin pagarle y una vez recibido le hice una transferencia
me comento que es su forma de trabajo.
Estan muy bien construidos, pero tienen un ancho de banda bestial.
73´s
EC4TR.luis @ gmail.com
Vaya de esto no tenia noticia ¡Hay que ver lo que hace la crisis!. :blink:
Ya se lo diré la proxima vez que hable con él. 
Lo conozco personalmente hace más de 30 años y puedo decir que es un tipo genial y serio en lo que hace, le encanta la radio y encima por sus estudios y trabajo puede dedicarse a hacer cosas de estas (me consta que ha diseñado muchas más), de echo su emisora de VHF, antenas y su amplificador se los hizo él cuando comenzaba, luego los ha ido adaptando a los nuevos tiempos.
Lo normal, o lo que hacía, es que mande el LNA sin relés, eso es cosa de cada cual.
¡Ojo! muy importante proteger el LNA, a mi me lo hizo hace dos años y me lo cargué a la primera de cambio, aun utilizando lineas separadas para TX/RX no tuve la precaución de usar un secuenciador y el retardo del equipo no era suficiente para los relés. Peter me lo reparó y me ayudó con el secuenciador.
Yo puedo hablar por mi y decir que a mi me funciona de cine y sin problemas.
73's
EA5EMM
Julio
Hola,
Para potencias medianas,baja es imprecindible montar un secuenciador,para potencias elevadas, hay dos soluciones, primera ,bajada con dos coaxiales,un rele principal y dos para el previo para la secunda solucion con una sola bajada.
73
Ramon
ea3kp@yahoo.es
ea3kpbcn@gmail.com
EA3KP escribió:Hola,Para potencias medianas,baja es imprecindible montar un secuenciador,para potencias elevadas, hay dos soluciones, primera ,bajada con dos coaxiales,un rele principal y dos para el previo para la secunda solucion con una sola bajada.
73
Hola:
En mi caso sería con um amplificador de 200 wtts.
Un saludo.
EA1FCH
EF1T-EF1M CONTEST CALL
OP: PEDRO.
Hola,
Lo puedes montar con un pare de reles CX140 o mejor CX600,pero siempre con secuenciador.
Te mando un privado.
73
Ramon
ea3kp@yahoo.es
ea3kpbcn@gmail.com
Escribió:Hola Pedro.Yo tengo el LNA de Peter (PA3BIY) y me funciona de maravilla, está dando 24 dB de ganancia con solo 0,2 dB de ruido.
Lamentablemente Peter hace años que no los fabrica, puede que aun le quede alguna placa. Puedes preguntarle poniendote en contacto con el enviándole un mail (dirección en QRZ.com). También suele estar muy a menudo en el chat de ON4KST.
En la dirección adjunta hay un artículo interesante sobre como montar este previo:
frenning.dk/OZ1PIF_HOMEPAGE/images/Building_description_v2.pdf
Saludos
EA5EMM
Hola a todos:
Hoy por la mañana le envie un correo a Peter y esta es la contestación:
Hello Pedro,Thanks for the 2m QSO on October 15th, hi! Conditions were UFB!
Yes, I can supply LNAs. The price is 128 Euro (+5 Euro for postage). Specs:
Gain: 22 dB
NF: < 0.3 dB (typical 0.25 dB)
Input IP3: +0...+4 dBm
Output IP3: +22...+26 dBmI build each LNA individually, hence the deliver time is about 2 weeks.
Best 73s,
Peter
Tengo unas dudas ya se lo mandé a el pero si vosotros lo sabeis mejor, ¿Tiene ya los reles de conmutación? Y si no trae los reles que circuito tendría que montar para ponerlos para que cuando TX no se rompiera.
Un saludo.
EA1FCH - PEDRO
PD: Soy nuevo en las MAF, y cada día mas me gustan.
Si me permiteis, tengo esta duda existencial:
¿ para que sirve un previo de 0,25 dB de ruido para 144 MHz ?
Referente al montaje del famoso previo para 144 del ATF-54143, sin entrar en si ya se ha quedado obsoleto, comentaré solo dos pequeñas pegas:
-que es sumamente sensible a los transitorios de alimentación, especialmente los inducidos por la extracorriente de ruptura de los reles coaxiales.
- la otra es que el transistor no es "incondicionalmente estable" en 144 y tiende a autoscilar, lo que exige un meticuloso diseño del circuito, placa de montaje y el disponer de un minimo de instrumental.
Por último Ramón, 3KP, te adjunto esta idea para que tus reles coaxiales funcionen mejor.
Hola. con respecto al tema de la sensibilidad del trandsistor a los picos de tension generados por las bobinas de los reles coaxiales, ademas de los logicos diodos en ellas ¿seria interesante montar un transzorb en la placa del previo?.
Lo digo por que tengo dos a punto de caramelo, y se los pondria ya.
El tema de la autooscilacion, me preocupa, sobre todo al no tener instrumental para RF en casa, bueno quitando lo tipico. medidor de ROE, un Bird, etc.
73.
Mi hijo me hace profundamente feliz
TNX & 73,
Pedro EA4ADJ IM88jw http://ea4adj.jimdo.com/
La solana. Que pueblo, galan!
EA3AXV escribió:Escribió:Hola Pedro.Yo tengo el LNA de Peter (PA3BIY) y me funciona de maravilla, está dando 24 dB de ganancia con solo 0,2 dB de ruido.
Lamentablemente Peter hace años que no los fabrica, puede que aun le quede alguna placa. Puedes preguntarle poniendote en contacto con el enviándole un mail (dirección en QRZ.com). También suele estar muy a menudo en el chat de ON4KST.
En la dirección adjunta hay un artículo interesante sobre como montar este previo:
frenning.dk/OZ1PIF_HOMEPAGE/images/Building_description_v2.pdf
Saludos
EA5EMM
Hola a todos:
Hoy por la mañana le envie un correo a Peter y esta es la contestación:
Hello Pedro,Thanks for the 2m QSO on October 15th, hi! Conditions were UFB!
Yes, I can supply LNAs. The price is 128 Euro (+5 Euro for postage). Specs:
Gain: 22 dB
NF: < 0.3 dB (typical 0.25 dB)
Input IP3: +0...+4 dBm
Output IP3: +22...+26 dBmI build each LNA individually, hence the deliver time is about 2 weeks.
Best 73s,
Peter
Tengo unas dudas ya se lo mandé a el pero si vosotros lo sabeis mejor, ¿Tiene ya los reles de conmutación? Y si no trae los reles que circuito tendría que montar para ponerlos para que cuando TX no se rompiera.
Un saludo.
EA1FCH - PEDRO
PD: Soy nuevo en las MAF, y cada día mas me gustan.
Si me permiteis, tengo esta duda existencial:
¿ para que sirve un previo de 0,25 dB de ruido para 144 MHz ?
Referente al montaje del famoso previo para 144 del ATF-54143, sin entrar en si ya se ha quedado obsoleto, comentaré solo dos pequeñas pegas:
-que es sumamente sensible a los transitorios de alimentación, especialmente los inducidos por la extracorriente de ruptura de los reles coaxiales.
- la otra es que el transistor no es "incondicionalmente estable" en 144 y tiende a autoscilar, lo que exige un meticuloso diseño del circuito, placa de montaje y el disponer de un minimo de instrumental.Por último Ramón, 3KP, te adjunto esta idea para que tus reles coaxiales funcionen mejor.
![]()
Hola Quim,
Ya conosco el truco,es una suerte que las roscas sean iguales,espero que sean de 50 ohms los reles,saves que se pueden utilizar los de 75 ohms ,lo probe y fonciona.
Tengo otro transistor para probar con los prebios,es la mitad de ruido que el ATF54143,para montarlo sera otra cosa.
Pero de momento los ATF54143 dan buenos resultados.A cuando su estabilida,depende de como estan montados,los mios ,no hay ninguna pega de autoscillaciones.
73
Ramon
ea3kp@yahoo.es
ea3kpbcn@gmail.com
Escribió:Hola. con respecto al tema de la sensibilidad del trandsistor a los picos de tension generados por las bobinas de los reles coaxiales, ademas de los logicos diodos en ellas ¿seria interesante montar un transzorb en la placa del previo?.
Lo digo por que tengo dos a punto de caramelo, y se los pondria ya.
El tema de la autooscilacion, me preocupa, sobre todo al no tener instrumental para RF en casa, bueno quitando lo tipico. medidor de ROE, un Bird, etc.
73.
Pedro, sin ninguna duda es mas que interesante montar el transzorb para eliminar los transitorios de la alimentación.
El tema de las autoscilaciones es mas complejo, puede ocurrir que el transistor este amplificando en 144 pero, por ejemplo, autoscilando a unos cuantos GHz lo que originaría una degradación de las prestaciones del IP3.
Con la instrumentación "tipica" es difícil detectar la anomalía, pero supongo que en el colectivo siempre tenemos a algún colega cercano que nos puede echar una mano.
Dentro del tema, y si tienes ganas de experimentar, comento que el ancho de banda del previo es tan bestia que puedes probar de reducirlo aumentando el Q del circuito sintonizado de entrada.
El metodo coniste en eliminar el condensador variable y hacer el ajuste variando la inductancia de la bobina por el metodo de estirala-encogela, la capacidad parasita del circuito de muy pocos pF se compensa aumentando la inductancia de la bóbina lo que hace aumentar el citado Q y ayuda reducir el excesivo ancho de banda.
Hola,
Escribió:aumentando el Q del circuito sintonizado de entrada
¿Serviría un stub a la entrada, antes del previo?
Lo digo por que un stub (incluso dos stubs seguidos separados cierta proporción de longitudes de onda) hacen de filtro de cierta Q y son fáciles de hacer.
Supongo que lo ideal sería un cavidad a la entrada, como tienen los previos pata negra...



73, Máximo - EA1DDO
Máximo Martín - EA1DDO / HK1H / M0HAO
EA1DDO@HoTMaiL.com
http://www.EA1DDO.es
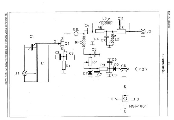
Un buen diseño , quizás ya un tanto obsoleto (y años atrás caro transistor)
,es el del MGF-1801 con el stub hecho con cable coaxial tipo CELLFLEX de 1/2" o 7/8" y el transistor soldado directamente encima. La ventaja del 1801 es su alto Ip3 que en la párctica lo hace insaturable a las señales fuera de banda.
Sobre el tema cavidad de los "pata negra", como el LNA Tech. de la foto, recuerdo los problemas que tuvo en su dia 3DXU (q.e.p.d.). Recuerdo que tras pasar el cacharro por máquina, amplificaba en todas las bandas multiplos de 144, lo que lo hace practicamente inutilizable en zonas de alta densidad radioeléctrica. Siento no disponer de las capturas gráficas que hicimos en su día para enviarselas al "amigo americano".
Dandoles vueltas al tema, entreveo que el utilizar en VHF transistores de microondas con valores de IP3 "normales", asociados a cavidades que resuenan también cerca de las bandas de telefonia cuesta que hagan buen matrimonio.
Adjunto un gráfico sobre la importancia del Q del circuito sintonizado de entrada del previo.
La capacidad parásita, entre pistas y masa del previo varia según la versión del diseño de la placa y suele estar entre 1 y 2 pF.
Para el que lo quiera probar, puede ahorrarse el famoso "super-trimmer", que no va a servir para nada, para darle mas vueltas a la bóbina de sintonia. Lo siento pero no recuerdo los valores de la bóbina, así que no me lo pregunteis, "currad" un poco que trastear es muy divertido.
El gráfico muestra la banda de 1 a 200 MHz con un filtro centrado en 144 (150 MHz).
Saludos.
Quim, EA3AXV
Ramón, me refiero al refrigerador con ventilador, para ver si mecanizas algo parecido o te animas a fabricar reles tipo EME para trabajo pesado.
(si es a buen precio me apunto)
)
Los reles de 75, en mi caso los probé y se acabaron muriendo, la superficie de contacto es demasiado reducida para QRO)
De momento los de 50 ohms con refrigeración ha sido la única manera (a precio económico) de que aguantasen las horas de páliza seguidas del MS-sprint pasado.
El previo con solo 20dB de ganancia, uiuiuiiiiii........... no es nada normal, ¿seguro que el previo no está haciendo tonterias?
¿hasta que frecuencia te llega el analizador?
El primer previo clon del PA3BIY que estuve analizando era un oscilador variable entre 3 y 4 GHz pero funcionaba como previo en 144MHz,
medido "a orejilla" parecia que iba perfecto.
Hola Quim,
Ya ace tiempo que estoy pensando a ello,no avia caido lo del ventilador para el rele. pufffff Aguanta????
El problema es que tengo que encontrar un plato a 4 garras lo mas economico para el torno.
Taladrar con el taladro de columna ,no es suficiente preciso.La bobina rele esta solucionado.
Bueno,ya veremos con el tiempo.
un saludo.
Ramon
ea3kp@yahoo.es
ea3kpbcn@gmail.com
QDURE - https://qsl.ure.es
Imprime y confirma tus QSL en tan solo tres click.
Nunca fue tan fácil y cómodo
el confirmar tus contactos.
TIENDA ONLINE URE
Publicaciones, mapas, polos, camisetas, gorras, tazas, forros polares y mucho más...
WEBCLUSTER EA4URE
Conoce el nuevo WebCluster de URE, ahora con nuevos filtros e información y compatible con GDURE




