Hola a todos
Quisiera pedir a los usuarios de un Yaesu FTDX101D (ó MP) que hagáis la siguiente prueba para identificar cómo de extendido se encuentra un grave defecto que he encontrado en la unidad que tengo desde hace un par de meses.
Resulta que en el rango entre 30,1 MHz y 49 MHz, el equipo recibe simultáneamente dos frecuencias haciéndolo completamente inservible como receptor en esas frecuencias. En este rango el receptor MAIN recibe la frecuencia que marca el dial y al mismo tiempo recibe cualquier otra señal que se encuentre exactamente 18.010 kHz por debajo y con la banda lateral invertida.
La prueba consiste en buscar en el RX MAIN cualquier señal medianamente fuerte (o no tan fuerte) por encima de 13 MHz y comprobar si también se escucha esa misma señal exactamente 18010 kHz más arriba y con la banda lateral cambiada. Por ejemplo; si escuchas una broadcasting en AM en 13.760 KHz comprobaríamos si también se escucha en 31.770 kHz también en AM. Si escuchamos una señal en 21.300 kHz en USB buscaremos si se recibe también en LSB en 39310 kHz.
Los que tengáis el FTDX101 sabréis que el RX MAIN tiene una F.I d 9.005 kHz, que es exactamente la mitad la diferencia de frecuencia entre la correcta y la señal fantasma. Por tanto todo apunta a que en algunas series del FT101, el RX recibe las señales que se encuentran 9.005 kHz tanto arriba como abajo del oscilador local.
Mi equipo se encuentra en el Servicio Técnico donde han tenido que pedir una nueva placa de RX a Japón. Veremos qué resuelven…
73 y buenos DX
Salva EA5Y
Muchas gracias a los que me habéis contestado enviando grabaciones de los FTDX101. Algunos de los videos son devastadores de lo fuerte que se oyen las señales fantasma.
Esta claro que este equipo es inutilizable entre 30,1 y 49 MHz. Por favor si alguien tiene este equipo y no tiene este problema, sería interesantísimo conocer de que serie es y qué tal responde. Ninguno de los que me han contestado dice no notar nada anormal.
Y es una pena porque la banda de 40 MHz está siendo otorgada últimamente en varios países tanto a estaciones experimentales como en balizas (Irlanda, USA, Canadá, Eslovenia, Sudáfrica,...etc). La propia IARU ha apelado a sus sociedades miembro para que soliciten el acceso a la banda de 40 MHz a sus Administraciones.
Desde luego si nos conceden los 40 MHz no será con el FTDX101 como la vayamos a usar.
73 de Salva EA5Y
pasa lo mismo con el TS2000,tecnologia punta 😆 😆 😆 .felices fiestas .un saludo
EB3DYO.
FRANCISCO.
Pues a mi no me da ese tema en ninguno de lo dos ts2000 que tengo 🤔
73
He comprobado mi FTDX101D y no he podido ver este problema.
Santi, EA3O
Salva, de momento, comprobado en 2 diferentes y le pasa a los dos.
Mañana va a probar otro colega con los suyos, que tiene dos.
Tengo la sensación de que es común a todos los dx101...
Saludos.
EA7OC, Luis
b noches yo que tu lo haría revisar en el sat oficial, porque me hace acordar a un ts 940 que me hacia lo mismo de esto hace ya mas de 25 años pero es lo que estas describiendo tu ,yo no tocaría nada y derecho para el sat
si ese problema es general y o de una gran serie, apañaos vamos, por que los que esten fuera de garantia se van a quedar sin 3500 euros y con una mierda de equipo.
yo tenia en mente agenciarme uno, pero visto lo visto, me quedo con un 817 que es en el que mas disfruto jiji.
saludos y que tengais suerte
pablo, qrp lover
Pues a mi no me da ese tema en ninguno de lo dos ts2000 que tengo 🤔
73
pues seran de una serie que no pasa,en hf quizas no pero en vhf sale en dos sitios ,comprobado,igual sera una remesa determinada pero ocurre en vhf,miralo con un sdr con una banda de rx amplia.un saludo
EB3DYO.
FRANCISCO.
Hola yo lo tengo, acabo de probarlo y a mi no me sucede........................Joan
Joan Solà Vilaseca.
Sant Feliu de Guixols
Costa Brava, Girona.
Pues tampoco me pasa en vhf ni en Uhf. Inyectando en la antena correspondiente dos señales con ese diferencia que se menciona y ambas de -69dbm ( vamos altas ) .
No me he puesto a pensar que podría estar pasando . Simplemente comprobar lo que se ha dicho .
felices fiestas
un saludo
Hola salva , como ya comentamos en mis 2 unidades si pasa , vamos a ver cómo avanza esto para proceder .
Ea5z Ángel
en el ts 2000 el problema en vhf es en TX ,emites y se escucha en dos sitios,que no te pasa ? fantastico.un saludo
EB3DYO.
FRANCISCO.
Hola a todos
Muchas gracias por las respuestas por aquí y por privado. Parece ser que el problema aparece en unidades desde el mismo lanzamiento del FTDX101 al mercado.
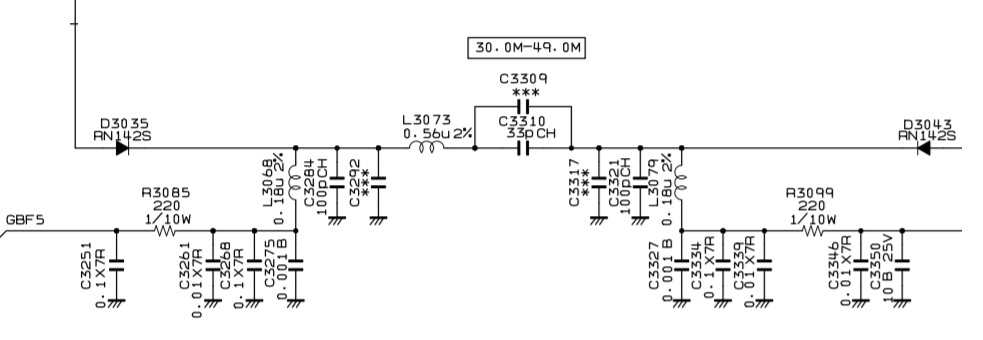
No tengo contestación oficial del SAT de Yaesu (mi equipo pronto hará 2 meses que está allí) pero se me ha hecho llegar extraoficialmente el esquema y manual de servicio y se pueden fácilmente extraer conclusiones.
Analizando el esquema del RX MAIN (el RX SUB es idéntico, pero con otra FI) se llega a la conclusión de que este problema de doble recepción (frecuencia de dial y frecuencia fantasma 18010 kHz más abajo) entre 30,1 y 49 MHz lo tienen TODOS los FTDX101.
Ello se debe a las propias características de tener la FI en 9005 kHz y al tipo de filtro pasobanda que se emplea en el segmento de 30,1 a 49 MHz. Se trata de un filtro (ver esquema en la imagen) de tan solo 3 polos y una muy pobre atenuación fuera de la banda. Al ser un filtro tan poco exigente, resulta que a la FI de 9005 kHz están llegando las frecuencias; por un lado f1=LO + 9005 (deseada) y por otro lado también f2=LO-9005 (no deseada). Este filtro que debería encargarse de cargarse a f2, sencillamente no aporta suficiente atenuación y por tanto f1 y f2 se cuelan simultáneamente en la FI.
Para confirmar la pobre atenuación de este filtro pasobanda hemos simulado su comportamiento con Elsie y sale esta curva que corresponde a un filtro PB muy, muy pobre (ver más abajo).
Se puede apreciar por tanto que, si sintonizamos el RX MAIN en, por ejemplo, 42910 kHz estaremos simultáneamente recibiendo una señal de 24900 kHz que tan solo se habría atenuado unos escasos 5 dB, lo cual es prácticamente nada!!!. Por tanto, será una señal fantasma perfectamente audible. En las otras bandas amateur del FTDX101 se emplean filtros paso banda de 7 polos, lo cual unido a que la f fantasma se encuentra mucho más alejada de la f deseada en términos relativos, se consigue eliminar totalmente esa f imagen fantasma. Los anteriores equipos de Yaesu que tenían su primera FI por encima de 70 MHz no tenían este problema, pero al emplearse en el FTDX101 la FI en 9 MHz (que tiene otras grandes ventajas que no vienen al caso) se produce este problema de la doble f fantasma en las bandas alejadas de la FI.
No sé que solución va a aportar Yaesu, si es que va a aportar alguna, o se va a limitar a repetir lo que dice su brochure publicitario del FTDX101 “rendimiento especificado, solo para bandas de radioaficionado”. Sería una pena.
73 de Salva EA5Y
Pues eso es lo que me imaginaba y por eso dije que me daba la sensación que era de todos los FT-dx101, pero vamos, que le afecte al receptor de 30 a 49 MHz no deja de ser una mala gracia, pero tampoco es una cosa de vida o muerte.... a pesar de eso, yo sigo contento con la "mierda de equipo" que tengo y que a pesar de eso, está donde está en la lista de Sherwood...
Cosas mucho peores se han visto en otros equipo...
Saludos.
EA7OC, Luis
Para valer lo que vale y que tenga un defecto como ese, y encima que este dos meses en en el sat y no saber lo que tardarra en solucionarse, reitero lo dicho y, y en lo dicho añado al sat de la marca, que para mi hace tiempo que yaesu perdio la calidad y confianza en equipos ham.
saludoss
pablo, qrp lover
Pues visto lo visto parece que la lista Sherwood son unos mercenarios.
Buenas noches,
recientemente he adquirido un FTDX101 y al leer este hilo que querido comprobar lo comentado. Efectivamente he escuchado lo descrito con una señal de AM en 13790 khz y comparando lo recibido en 31.800 khz. Sin embargo y si he interpretado bien la curva de ateniación simulada con Elsie para el filtro de 3 polos , en la frecuencia de 13.790 khz la attenueción del filtro esta entre -10 y 15 -db. La señales observadas en el S-meter son respectivamente de s9 en 13.790khz y de S0/1 en 31.800 khz.
No se si esta mediciones son similares a las obsevadas en 2021 están dentro del mismo orden de las que he realizado. ¿Quizás se ha hecho una modificación en el filtro mencionado? , no lo sé.
Os adjunto el link al video de aproximadamente 15s donde puede verse lo que he observado. La antena utilizada es un vertical de 1/4 .
https://drive.google.com/file/d/197VYAC9pLCwBxGtMathEQMZFzsS8ihLT/view?usp=drive_link
Saludos.
Fernando, EC3A.
Fernando, EC3A (EC3AT 1979/1981 / EA3KU 1982-2020)
(socio 13494 - desde 1975)
Fernando, repite la prueba cuando por propagación tengas varias señales fuertes de 9+ en los 13 MHz y te das una vuelta por los 31 MHz... en tu prueba, veo que solo pruebas con una señal que apenas llega a S8... no sé cómo tenías el resto de la banda.
Saludos
Saludos.
EA7OC, Luis
Buenos días.
En efecto, la señal no superaba el S9. Estaba estable alrededor de esa señal .
Està claro que es un problema de diseño inherente a las frecuencia utilizada de F.I. Lo que desconozco si han mejorado o sustituido el de 3 en las últimas series de fabricación o han hecho algúna modificación adicional en el diseño para minimizar el problema. No he mirado el manual de servicio .
Saudos.
Fernando, EC3A.
Fernando, EC3A (EC3AT 1979/1981 / EA3KU 1982-2020)
(socio 13494 - desde 1975)
QDURE - https://qsl.ure.es
Imprime y confirma tus QSL en tan solo tres click.
Nunca fue tan fácil y cómodo
el confirmar tus contactos.
TIENDA ONLINE URE
Publicaciones, mapas, polos, camisetas, gorras, tazas, forros polares y mucho más...
WEBCLUSTER EA4URE
Conoce el nuevo WebCluster de URE, ahora con nuevos filtros e información y compatible con GDURE



