Tiene como 30 años, pero dudo que lo haya usado, es un walky doble banda, tiene un conector coaxial arriba para alimentarlo y cargar la batería, y tengo problemas y dudas. Lo compré en Japón, creo que el modelo europeo es IC-W2E. Se puede alimentar a 13,8V, y la batería pequeña es de 7,2V, con pilas va como con 9,6V.
El primer problema es que perdí la batería, se ve lo que lo alimentaba por arriba. Lo quiero poner en marcha y veo los siguientes problemas
El conector de alimentación no entra bien, he probado dos, no se si se habrá deformado algo del plástico. En todo caso aguantando con la mano arranca. Pero no es manera.
Metí pilas en un portapilas BP90, con la intención de alimentarlo por abajo, pero no enciende. Estoy casi seguro que funcionó por ahí en su día.
Meto tensión por arriba , funciona y aparece tensión en las tomas de abajo (de la bateria) pero por abajo no hay manera de que funcione.
Abajo hay tres conexiones, +/- y otra que no se que función hará con la batería. El portapilas la tiene sin conexión
Y estoy un poco perplejo
La placa inferior de conexiones es accesible, porque hay que quitarla para meterle algún accesorio, pero si pilla corriente de arriba abajo no se porque no lo hace de abajo arriba, salvo que hubiese un diodo, pero no creo porque las polaridades de walky y portapilas están marcadas en los dos. E + - no se que hace el tercer contacto E.
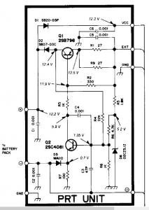
Editado, lo he abierto y he visto que a la placa de conexion de bateria llegan 4 cables, rojo y negro que supongo de alimentación, y un par de marrones de diferente tono. Podría (debería) ser que cargase la batería a través de una resistencia y que la descargase a través de un diodo, y que se haya abierto el diodo, porque aparece tensión abajo ¿a través de la resistencia? pero no sube.
Como el conector de arriba de entrada es realmente extraño, no puedo comprobar continuidad "fuerte", directa, solo veo que aparece tensión abajo, pero podría ser que el polímetro me marque tensión, pero sería a través de una resistencia (tiene lógica) y lo que pase es que se ha abierto el diodo desde la batería al walky. Estoy por desguazar esa plaquita, a ver si estoy en lo cierto
Bueno, se admiten sugerencias antes de abrirlo para meterle tensión por un cable soldado dentro.
Gracias
El conector coaxial de alimentación existe con varios diámetros, tanto del exterior como del pin interior, tendrás que buscar el adecuado.
Si quieres buenas respuestas haz buenas preguntas
73 de Angel, EA2ET.
Gracias. Y si, tengo dos cargadores de ICOM, de saldo del CInglés de los años 80, el original japonés era de 100V y no se que habrá sido de él. Y uno de los que tengo no entra en absoluto porque tiene un reborde de plástico al pricipio, A ver si lo japoneses ponían un conector capicua para su mercado interior
Preguntaré, de todos modos la plaquita de abajo parece complicada. Seguramente el diodo de arriba que va de positivo de batería al walky es el dañado, pero tiene muchas cosas. Está tapada, si la abro no se si cargará alguna vez, pero no tengo baterias 🙂
Pensaba que la placa sería algo mas sencillo, solo una resistencia y un diodo. Pero lleva mucho circuito.
Yo veo el adjunto muy pequeño, supongo que habrá manera de bajarlo, a la derecha es mas grande
Sobre el conector, no estoy seguro en ese modelo concreto pero Icom tiene algunos walkies que el conector de alimentación no es el típico sino que el conector exterior lleva el pin.
Yo selo cambié a un ic2gxat que creo tenía el mismo porque no tenía de esos conectoresde forma habitual y no quería tener más cables.
Slts
EA3FNM ex-ec3ccq Pedro Barcelona ea3fnm@gmail.com
La explicacion del circuito, quizás me lo cargue todo, al cortocircuitar el diodo ya yo hago, e incluso lo alimente desde ahí con una caja de pilas secas, bien con las pilas o desde una fuente, no creo que lo saque de paseo. Si identifico e diodo y puedo, quizás lo cambie, sino lo pondré en corto. La idea era alimentarlo con desde una fuente aprovechando un portapilas. El cargador de 100V lo perdí y la batería original debí de abrirla y perderla hace años. Con el precio de los chinos no vale la pena dedicar mas trabajo. En su día si era bueno, hasta transmite por una banda lo que recibe por la otra...
Pues quizás todo el problema está en el conector de alimentación/carga. Cuando se mete el jack, se desconecta de masa el negativo de la bateria. Y lo que puede pasar no es que esté abierto el diodo del positivo de la toma de batería, sino que esté dañado el jack hembra y haya dejado abierto siempre la conexión a masa. Tengo que ver si es accesible por detrás, ya lo he abierto una vez, y pensaba volver a abrirlo porque lleva pasta térmica para conectar el PA con la tapa trasera.
De momento no hay continuidad desde la masa (del conector de antena) y el negativo (del conector de batería) y debería de haberla según el esquema, sin jack=negativo de batería a masa. Y no es así.
Si el jack fuese mas normal, sería fácil probar con un polímetro. Lo voy a volver a abrir. Y debería de haber continuidad según está en el esquema. En último caso llevo el negativo a masa en la parte de abajo del walky, y obvio lo que representa la figura de ponerlo a masa solamente cuando no hay jack de alimentacion exterior. En todo caso jamás va a llevar batería. En todo caso pilas secas. y nunca alimentación por arriba. Si es lo que pienso le haré una alimentación a través del portapilas.
Editado, abierto y visto, ese contacto del jack hembra no existe, el negativo de la batería está abierto. afortunadamente los plots para soldar del jack son grandes y podré hacer un corto entre el negativo y masa. Ahora al lio.
Bueno, creo que no lo puedo editar otra vez.
Pues puente hecho en el jack y ya funciona con el portapilas. Se ve que el jack se dañó con tanto intentar meter algo parecido pero que no era 🙂
Como tengo dos portapilas dejaré uno para baterías y al otro le pondré un jack para alimentar por debajo.
Alguna vez ha solido pasar que se queda metido el anillo aislante de una punta dentro de la base e impide que se cierre el contacto y que entre bien el conector del alimentador.
Si quieres buenas respuestas haz buenas preguntas
73 de Angel, EA2ET.
Pues quizás sea eso, porque tengo un alimentador con anillo de goma en la punta y otro sin ella 🙂 A ver si con una aguja lo puedo sacar. Si está así está activando lo de desconectar la batería. Los conectores que he intentado meter no entraban hasta el fondo... va a ser eso.
De momento he puenteado en el jack de hembra el + de alimentacion externa y el + de batería. Y ya funciona con el portapilas. Claro, así no puedo cargar baterias que no tengo, porque le daría toda la tensión de entrada a la batería. Claro que tambien podria sustituir el corto que he hecho por un diodo. Para que desde la alimentación no pase por el puente a la batería, sino por donde tiene que pasar, por el regulador de carga.
A por una aguja a ver si es posible sacar el aro en caso de que sea eso.
Si alguna vez comprase una batería tambien tengo una tapa para cargarlas fuera del walky.
De todos modos como es japonés no tiene repetidores en 144 y tampoco tiene placa de subtonos. Es decir es poco útil.
Editado, va a ser eso, he tocado el que tenía el aro puesto y nada mas tocarlo se ha desprendido. Eso quiere decir que el aro del otro está dentro, y está apretando el jack para separar la batería del positivo... eso es. Pero supongo que no se puede sacar, porque he apretado bastante tratando de meterlos (horror e ignorancia)
El aro caido ahora mas que de goma es de plástico duro, no responde el que está dentro al tema de la aguja, no creo que pueda sacarlo. ¿O si?
Tengo ese modelo y con el mismo problema, el paquete de baterías no funciona pero sí por el conector de arriba que es especial, el conector central tiene el diámetro de casi un alfiler. No lo saco a la calle, así que lo dejo como está. Dispongo del manual en castellano con esquemas por si lo necesita alguien. Me costó 69,900 ptas. en 1982. 73 José Luis
Pues si el conector es el "raro" con el pin en el conector del csble es como el del ic2gxat y en este caso se puede cambiarse por el típico comprado en tienda de electrónica y al 100%.
EA3FNM ex-ec3ccq Pedro Barcelona ea3fnm@gmail.com
Los conectores “DC” coaxiales son una pesadilla: en un artículo en EDN Bill Schweber escribió que hay, como poco, 8 diámetros externos y 10 diámetros del pirulo interno.
Los más comunes son los de 5.5 mm de diámetro exterior y 2.1 y 2.5 mm de diámetro interior. Robert Fay nos cuenta cómo usar un mondadientes redondo y un bolígrafo para distinguir los unos de los otros: https://forum.digikey.com/t/measuring-power-supply-barrel-plug-id-2-1mm-vs-2-5mm/401
Un saludo
jon, ea2sn
Jon, EA2SN / AE2SN
... el que lee mucho y anda mucho vee mucho y sabe mucho. (Don Quijote, libro segundo, capítulo XXV)
Examinador Voluntario para la FCC (EE. UU.) con ARRL-VEC /.../ 4,71BDXCC como EE2A con una vertical y 5-100 W
@ea7ain Yo usé siempre cargadores ICOM, pero se desprendió el aro, y hace un par de días se desprendió el aro de otro.
Como no tengo batería pero si caja portapilas, lo he solucionando poniendo en corto con un hilo los dos positivos del conector, es fácil, se quita la tapa y es lo único que se ve 🙂 Como lo hice con un hilo no se pueden cargar baterias, pero si se hace con un diodo si se podrían seguir cargando baterias.
Si algun dia necesito cargar baterias de 6 elementos tengo una tapa que se adapta a la bateria y ahí se carga fuera del walky.
Y ya se porque no lo he usado en 30 años, no tiene repetidores VHF ni subtonos. Por lo demás era una cosa buena. La batería de litio aguanta. Ahí lo tengo con pilas a ver si la bateria de litio se repone para unos años. Si se muere, a la basura.
Ando moviendo el cuarto de la radio y me voy encontrando de todo. Hasta un transmisor de 144 con una QQE con cuernos. Recicle de aviación, y de AM. Lo usé con poco éxito hace como 55 años. El que sigue funcionando bien es un ICOM 2 de rueditas como de 1980
@ea2sn Es que estos tienen mas mala leche. Porque del interior del agujero del conector en el cable sale una aguja, que es conector central. El interior del cilindro no es para hacer contacto. Sony tambien ha usado conectores de estos con vivo de aguja que entra en un tubo macho que está dentro de la hembra.
Y para mas "cosa" los machos pierden una arandela de pasta de la punta del cipote y la dejan dentro de la hembra, ¿a ver si germina y sale otro? O a ver si así te compras otro walky, que es parecido.
El IC-W2A/E sigue siendo muy utilizable. Si buscas un poco podrás encontrar la placa de subtonos, que si no me equivoco es la UT-63. También parace que hay mods para ampliar rango RX-TX
http://www.hampedia.net/icom/ic-w2a-extended-transmit-mod.php
http://www.geocities.ws/crafifoz/icom/Icw2a.txt
En Wallapop o MilAnuncios he visto hoy a la venta esas placas UT-63.
Seguro que algún reemplazo del conector de alimentación de ese equipo queda por algún servicio técnico de Icom (oficial o no).
Tan sencillo como tirar un poco de San Google... 😉
Saludos. Jacinto.
Sólo puedo ofrecer mi opinión y mis reflexiones. Otras opiniones y reflexiones son tan o más válidas que las mías. Lo importante es que cada uno acabe desarrollando sus propias conclusiones. FT-23, FT-60, FT-991, IC-V200T, DR-605 y Dynascan P-72. Jacinto.
@ea1fc. Frank. La base tiene estos tres conectores para el paquete de baterías.
No entiendo dónde colocas el corto entre los dos positivos. Esta es la base.
@ea7ain El corto lo hago en el mismo jack de arriba.
La base, donde va la batería está semiencapsulada, en realidad es una placa de CI de doble cara donde va toda la regulación de carga. Es muy fácil de acceder, de hecho hay que quitarla para instalar la placa de subtonos, pero no se ve ningún componente. Fué el primer sitio donde pensé en intervenir.
Lo que he hecho es cortocircuitar con un hilo muy fino, los dos hilos del positivo del jack, cortándolo se queda como estaba. Como es una cosa gorda comparado con los componentes SMD es fácil de soldar incluso con el soldador JBC 30.
El diodo por el que sube la corriente desde la batería y evita la conexión directa con el jack es D1, arriba a la izquierda, pero si el jack está abierto no sirve cortocircuitar el diodo, el problema está arriba en el jack
La placa de abajo, donde engancha la batería
No me salió la fotillo, sri. Ahora lo entiendo, gracias.
Tengo el japones y el europeo.
el primero carece de shift en VHF.
aun así, usando bien la funcion prio, se puede usar perfectamente en repetidores, sin tener que andar tocando teclas entre TX y RX.
placas CTCSS las hay no muy caras, como han indicado antes.
es un walki muy bueno, y el mio entregando casi 8w en UFH y 6 en VHF con alimentacion por cable por arriba.
en cuanto al conector, yo los he encontrado en RS-online.
y en un chino, compré un alimentador de pc portatiles que traia varias puntas, y una de ellas le va como picha al culo.
eso si, el aro de la punta del cargador lo corté y retiré con un cutter.
buen equipo, compañeros.
Tengo el japones y el europeo.
el primero carece de shift en VHF.
aun así, usando bien la funcion prio, se puede usar perfectamente en repetidores, sin tener que andar tocando teclas entre TX y RX.
placas CTCSS las hay no muy caras, como han indicado antes.
es un walki muy bueno, y el mio entregando casi 8w en UFH y 6 en VHF con alimentacion por cable por arriba.
en cuanto al conector, yo los he encontrado en RS-online.
y en un chino, compré un alimentador de pc portatiles que traia varias puntas, y una de ellas le va como picha al culo.
eso si, el aro de la punta del cargador lo corté y retiré con un cutter.
buen equipo, compañeros.
QDURE - https://qsl.ure.es
Imprime y confirma tus QSL en tan solo tres click.
Nunca fue tan fácil y cómodo
el confirmar tus contactos.
TIENDA ONLINE URE
Publicaciones, mapas, polos, camisetas, gorras, tazas, forros polares y mucho más...
WEBCLUSTER EA4URE
Conoce el nuevo WebCluster de URE, ahora con nuevos filtros e información y compatible con GDURE





