Buenos días.
Necesito el esquema de un filtro pasa banda sencillo para recepción para 50 mhz.
A ver si me podéis ayudar.
Saludos, Manolo ea7bgv
Hola,
Un filtro sencillo sería un trozo de coaxial de 1/4 de largo.
En un extremo lo cortocircuitas y en el otro extremo le pones un PL y lo conectas en una T.
Es lo que llaman un stub.

Si necesitas algo más elaborado, supongo que tendrás que usar una de esas calculadoras para hacer un filtro con bobinas y condensadores.
73, Máximo - EA1DDO
Máximo Martín - EA1DDO / HK1H / M0HAO
EA1DDO@HoTMaiL.com
http://www.EA1DDO.es
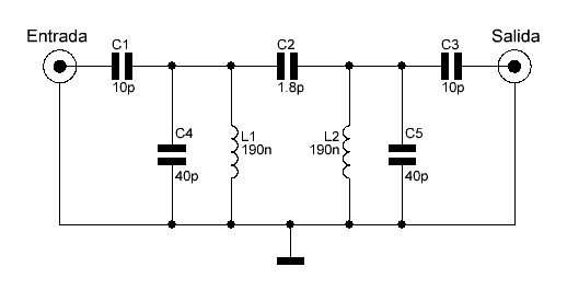
Y los detalles constructivos de las bobinas?
Las bobinas de 190nH las puedes hacer bobinando el hilo sobre la cola de una broca de 6mm, les das un largo de entre 15 y 16 mm y 10 espiras, el ajuste fino debes hacerlo jugando con la longitud de la bobina y lo suyo seria un VNA.
73.
Mi hijo me hace profundamente feliz
TNX & 73,
Pedro EA4ADJ IM88jw http://ea4adj.jimdo.com/
La solana. Que pueblo, galan!
Hola Manolo.
En internet tienes cantidad de información sobre fórmulas y calculadores de inductancias, por ejemplo esta:
http://www.pronine.ca/coilcal.htm
De todos modos, piensa que en el momento que te pones en un paso banda, y que además es estrecho como el del diseño que te he puesto, vas a necesitar de instrumentación mínima para ajustar, porque las tolerancias y capacidades parásitas van a entrar en juego especialmente a partir de estas frecuencias y vas a necesitar ciertos retoques. El filtro de debajo lo hice como ejercicio de diseño hace unos años,para evitar problemas sustituí los valores fijos por trimmers, y así dejar la curva como me gustaba.
Saludos.
EB3DMR
exacto
Mi hijo me hace profundamente feliz
TNX & 73,
Pedro EA4ADJ IM88jw http://ea4adj.jimdo.com/
La solana. Que pueblo, galan!
Gracias a todos por responder.
Montaré el más pequeño que pueda, pues mi idea es ponerlo dentro del receptor.
Saludos
Manolo ea7bgv
QDURE - https://qsl.ure.es
Imprime y confirma tus QSL en tan solo tres click.
Nunca fue tan fácil y cómodo
el confirmar tus contactos.
TIENDA ONLINE URE
Publicaciones, mapas, polos, camisetas, gorras, tazas, forros polares y mucho más...
WEBCLUSTER EA4URE
Conoce el nuevo WebCluster de URE, ahora con nuevos filtros e información y compatible con GDURE

