Hola, ya hace Años publique por aquí la construcción de un amplificador con el LDMOS MRFE6VP61K25H.
Esta funcionando perfectamente hace varios años, pero de repente ha bajado su potencia de 1200 watts a no mas de 600.
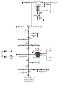
Revisado todo lo anterior y posterior al mosfet está todo correcto, no ROE, bias bien, tensión bien, ect.
Mi pregunta es, ¿puede un LDMOS bajar su rendimiento de golpe?, Al ser un mosfet doble, ¿puede haber cascado medio ldmos?.
Es el componente mas caro y mas delicado al sustituir, me gustaría descartarlo antes de desoldarlo.
Buenas noches.
Por lo que dices medio transistor ha pasado a mejor vida
Buenas noches.
Por lo que dices medio transistor ha pasado a mejor vida
Es la duda que tengo pero nunca había visto ocurrir eso, los Ldmos o van o petan y ya no van.
Una buena forma de comprobarlo creo que sería medir su corriente en reposo (ajuste de bias) si está tal cual se ajusto el ldmos debe estar ok, si ésta a bajado también a la mitad entonces está claro que medio ldmos ha muerto.
Lo comprobaré.
Pues al final no tenia nada roto, simplemente el ajuste de polarización había caído de 2.9 volts en Gate a prácticamente 0 volts.
No hay nada roto, todo el circuito de polarización está todo ok, solamente volver a ajustar el voltaje en Gate y consumo en reposo del ldmos desde la R variable. Se habrá movido solo el potenciómetro o igual variado su valor con la temperatura.
QDURE - https://qsl.ure.es
Imprime y confirma tus QSL en tan solo tres click.
Nunca fue tan fácil y cómodo
el confirmar tus contactos.
TIENDA ONLINE URE
Publicaciones, mapas, polos, camisetas, gorras, tazas, forros polares y mucho más...
WEBCLUSTER EA4URE
Conoce el nuevo WebCluster de URE, ahora con nuevos filtros e información y compatible con GDURE


