Hola
Un amigo necesita un acoplador manual de 500 a 4000 Watios.
¿Cual de sugerís?
Saludos.
Carlos EC1T
Ex. EA1DVY
Soria in81
ver
http://www.ure.es/foro/6-tecnico/108337-acoplador-manual-de-antenas-comet-cat-3000.html#108361
Carlos EC1T
Ex. EA1DVY
Soria in81
Hola
Alguien ha probado el acoplador / sintonizador manual MFJ-9982 de 2500 Watios,
(2,5 kW Antenna Tuner HF, 1,8-30MHz) http://www.mfjenterprises.com/Product.php?productid=MFJ-9982
• Características del acoplador / sintonizador de alta potencia:
- Rango de Frecuencia......: 1,8 a 30 MHz (160 a 10 metros)
- Potencia continua PEP....: 2.500 Watios máxima.
- La impedancia acoplada de 3,5 a 30 Mhz es de 12,5 a 2.000 ohmios
- La impedancia acoplada de 1,8 a 3,5 Mhz es de 12,5 hasta 800 ohmios
- 1 bobina/inductor variable de rodillo (AirCore) de cobre y plateado, con doble contacto
- 1 condensador variable de entrada 500 pF a 6000 v de aislamiento
- 1 condensador variable de Salida 1000 pF a 6000 v de aislamiento
- 1 BALUN 4:1 (hilo largo o bajada en escalerilla)
- 3 conmutadores de antenas de teflon (2 coax. 1 hilo- Bypass)
- 1 Watimetro y Medidor de ROE con escalas 3000/300W (iluminación a 12V.)
- 1 Carga artificial de 1500W/10 seg., 100W/10 min., de 50 ohmios no inductiva
- Dimensiones..: B 349 x D 413 x H 177 mm (chasis de aluminio de 0.08 pulgadas reforzado)
- Peso…: 6.84kg
• Precio aproximado..: 789 Euros

Manual en
http://www.mfjenterprises.com/man/pdf/MFJ-9982.pdf
http://www.classicinternational.eu/_clientfiles/manuals/mfj9982.pdf
Foro
http://www.eham.net/reviews/detail/6058
Fotos
http://www.angelhamshopjapan.com/d-onlinestore/picture.php?mode=0&id=MFJ-9982
---
Esquema
Saludos.
Carlos EC1T
Ex. EA1DVY
Soria in81
Hola
Alguien ha probado el acoplador / sintonizador manual Palstar AT5K para 3500 Watios
(3,5 kW Antenna Tuner HF, 1,8-30MHz http://www.palstar.com/at5k.php)
• Características del acoplador / sintonizador de alta potencia:
- Rango de Frecuencia......: 1,8 a 29,5 MHz (160 a 10 metros)
- Potencia continua PEP....: 3.500 Watios continuos, 5000 W PEP en SSB
- La impedancia acoplada de 1,8 a 29,5 Mhz es de 10 hasta 2000 ohmios
- 1 bobina/inductor variable de rodillo (AirCore) de 35 μH, 10 A, 5 kV plateado.
- 1 condensador variable de entrada 600 pF a 6000 v de aislamiento
- 1 condensador variable de Salida 600 pF a 6000 v de aislamiento
- 1 BALUN 4:1 (hilo largo o bajada en escalerilla)
- 3 conmutadores de antenas de teflon (2 coax. 1 hilo- Bypass)
- 1 Watimetro y Medidor de ROE con escalas 3000/300W (iluminación a 12V.)
- Dimensiones..: B ??? x D ??? x H ??? mm (chasis de aluminio de 0,.90 pulgadas reforzado)
- Peso…: 25 IBS
• Precio aproximado..: 1195 Dólares
• Manual:
- http://www.palstar.com/manual_at5k.pdf
• Fotografías:
- http://www.wa6nol.com/at5k.htm
-
- interior
- interior
-
Esquema
CHAO
.
Carlos EC1T
Ex. EA1DVY
Soria in81
Vídeo de Varias Maarcas de Acopladores
Saludos.
Carlos EC1T
Ex. EA1DVY
Soria in81
Hola
Alguien ha probado el acoplador / sintonizador manual de LL-Tuner made by PAøLL,
Cubre 160 a 10 metros de 1500 Watios.
Capacidad del condensador: 11 a 470 pF
Inductancia de la bobina: 34 μH.
---
---
Saludos.
Carlos EC1T
Ex. EA1DVY
Soria in81
Hola
Alguien ha probado el acoplador / sintonizador manual Simétrico sólo para los alimentadores de línea abierta hasta 1,5 Kw, de LL-Tuner made by PAøLL
Cubre 160 a 10 metros de 1500 Watios.
Capacidad del condensador: 11 a 470 pF
Inductancia de la bobina: 34 μH.

---
Video
---
Este acoplador / sintonizador simétrico sirve para las antenas con bajada en escalera
Tipo G5RV, o DELTA Lup, etc
Mas información en:
- PA3EKE
- [url=: http://www.pa3hgt.nl/LL.htm ]PA3HGT[/url]
http://www.eham.net/reviews/detail/6059
http://www.dc4jg.de/html/pa0ll-koppler.html
---
Saludos.
Carlos EC1T
Ex. EA1DVY
Soria in81
Tengo el AT2KD de Palstar, un gran acoplador, no lo he probado más allá de los 1,200w porque mi TL922 no da más. José Luis
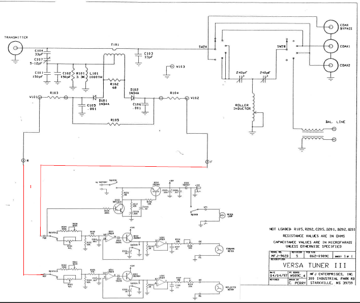
Desde hace relativamente poco tiempo, tengo el MFJ 962 D y la relación calidad precio, considero que es muy buena. Lo utilizo en combinación con un HF62 casi exclusivamente en la bandas de 80 y 17 metros y va perfecto. Tiene dos entradas de coaxial y otra para linea balanceada.
Eso si, dependiendo del comercio hay bastante diferencia en el precio.
73 de Javier, EA2AGV
Yo tuve el PALSTAR AT5K, una maravilla!
Joan Solà Vilaseca.
Sant Feliu de Guixols
Costa Brava, Girona.
QDURE - https://qsl.ure.es
Imprime y confirma tus QSL en tan solo tres click.
Nunca fue tan fácil y cómodo
el confirmar tus contactos.
TIENDA ONLINE URE
Publicaciones, mapas, polos, camisetas, gorras, tazas, forros polares y mucho más...
WEBCLUSTER EA4URE
Conoce el nuevo WebCluster de URE, ahora con nuevos filtros e información y compatible con GDURE











