Hola Isma,
no he dicho nada porque se trata de un olvido en el circuito impreso que ya está corregido para la nueva versión. En el manual viene muy bien descrito y con una foto, por lo que no plantea demasiado problema. Gracias por el aviso. He retocado el archivo del paso 3 por si a alguien le da por coleccionarlos... 
Posiblemente al final recopile todo el material en un único archivo y así tenerlo todo a mano.
Un saludo
jon
Jon, EA2SN / AE2SN
... el que lee mucho y anda mucho vee mucho y sabe mucho. (Don Quijote, libro segundo, capítulo XXV)
Examinador Voluntario para la FCC (EE. UU.) con ARRL-VEC /.../ 4,71BDXCC como EE2A con una vertical y 5-100 W
He encontrado un posible error en el manual, simplemente se trata de la omisión de la instrucción de colocar el condensador de desacoplo de 100nF al lado de los diodos en el paso 1 (en el esquema está correcto), yo no se lo he puesto por esta cuestión, paradójica-mente me ha funcionado sin el al realizar las comprobaciones, ahora ya está puesto.
Saludos.
Isma.
Ismael Rodríguez.
Socio URE desde 1981.
Isma,
ya lo hice notar en el paso 1. Normalmente los reguladores de tensión de la serie 78xx y 79xx requieren de condensadores de desacoplo en la entrada y la salida. Según los modelos y fabricantes las necesidades son mayores o menores y en casos extremos puede autooscilar. El condensador que faltaba era el de entrada, pero estaba compensado por el "bote" de 1000 uF electrolítico.
Gracias por el aviso.
jon
Jon, EA2SN / AE2SN
... el que lee mucho y anda mucho vee mucho y sabe mucho. (Don Quijote, libro segundo, capítulo XXV)
Examinador Voluntario para la FCC (EE. UU.) con ARRL-VEC /.../ 4,71BDXCC como EE2A con una vertical y 5-100 W
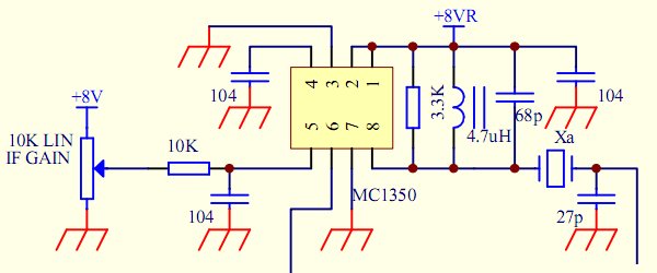
Paso 4. Amplificador de frecuencia intermedia.
Todo se basa en el amplificador MC1350 que es una bomba y, en cuanto se le suelta la brida, amplifica tanto que suele autooscilar. El mando de ganancia de FI es vital para conseguir controlarlo. Podéis ver todos los detalles golfos en la hoja de datos más abajo.
Este bloque es muy simple pero hay dos cosas que llaman la atención, las dos a la salida del MC1350: un circuito LC y un cristal en serie con la salida. ¿Para qué?
Si alguien usa la fórmula para calcular la frecuencia de resonancia f = 1 / [2 x pi x raiz( LC)] encontrará que con 4,7 uH y 68 pF nos resulta una frecuencia nominal cercana a 8.9 MHz. Considerando las tolerancias típicas de los componentes está bastante bien para una FI de 8.467 MHz y no precisa de ajuste.
El cristal hace de mini-filtro, dejando pasar únicamente la señal de FI, disminuyendo el ruido de fondo.
Una vez montado, el circuito responde correctamente a la inyección de ruido, oyéndose un fuerte zumbido en el altavoz.
Jon, EA2SN / AE2SN
... el que lee mucho y anda mucho vee mucho y sabe mucho. (Don Quijote, libro segundo, capítulo XXV)
Examinador Voluntario para la FCC (EE. UU.) con ARRL-VEC /.../ 4,71BDXCC como EE2A con una vertical y 5-100 W
Ion:
Soy Jabi, EA2ARU. Dejame tu email cuando puedas.
73,s de Jabi.
Jon:
Muchas gracias.
Saludos.
EA5BFT
Pedrolo.
www.pedrolo.com
Paso 5. Filtro a cristal.
Este es un bloque muy sencillo de montar, aunque de importancia vital para el buen funcionamiento del transceptor de banda lateral. Una vez instalados los cristales, los condensadores y los relés la prueba es sencilla: inyectar ruido y escuchar el zumbido en el receptor.
Como tengo acceso a un generador de RF y a un medidor de audio he trazado la curva de respuesta del filtro en pasos de 100 Hz. No se ha hecho adaptación de impedancias entre el generador y la entrada al filtro, así que los resultados no serán muy fiables. De todos modos aquí está la gráfica.
No hay que asustarse con el rizado de la banda pasante (ripple) porque la medida está hecha con la placa encima de la mesa, sin blindajes ni nada. Lo interesante es ver la anchura de banda, que es algo menor de 2 kHz. Luego esto se podrá hacer muy fácilmente con el PC y un programa de analizador de espectro de audio.
Añadido el día 27: ahora, a toro pasado, debería haber caracterizado los cristales usados en la FI (aunque quizá lo haga más adelante). ¿Para qué? Para simular el comportamiento del filtro. Con el software de Neil en http://www.aade.com se puede estudiar. En una prueba rápida con cristales estandar de 10 MHz, condensadores de 47 pF e impedancias terminales de 200 ohmios se obtiene una respuesta del filtro con un rizado parecido (véase el gráfico más abajo). Quizá alguien se anime a caracterizar un cristal de su kit y nos cuenta...
Jon, EA2SN / AE2SN
... el que lee mucho y anda mucho vee mucho y sabe mucho. (Don Quijote, libro segundo, capítulo XXV)
Examinador Voluntario para la FCC (EE. UU.) con ARRL-VEC /.../ 4,71BDXCC como EE2A con una vertical y 5-100 W
Paso 6. Mezclador y oscilador local.
En este paso vamos a preparar el conversor de RF a FI con un mezclador y un oscilador local hecho con un oscilador variable a cristal (VXO). En la revista de Noviembre váis a poder leer largo y tendido sobre los VXO, en un artículo sobre el SS-40 que, por cierto, usa un SuperVXO.
El VXO utiliza en el caso de la versión europea un cristal que se puede «estirar» mucho, lo que hace innecesario usar un SuperVXO con dos o más cristales en paralelo. Así como Luc F6BQU en su diseño «Le Forty» usaba dos inductancias montadas en paralelo en el circuito impreso y modificaba el rango del VXO juntando o separando las inductancias mecánicamente, aquí el diseñador ha usado dos bobinados hechos en el mismo soporte y lo que modifica es el acoplamiento inductivo por movimiento del núcleo común. Ingenioso y muy compacto.
Inicialmente el diodo varicap era un 1N4007, que tiene características de varicap como muchos otros diodos, incluídos los LED. Pero, al final, han optado por un varicap «de verdad» BB910, cuya hoja de datos está más abajo.
Una vez hecho el montaje (ver foto paso6hecho1 más abajo) comienza la prueba. ¡Uh! parece que no va. Intento ver si tengo oscilación. No hay. Desueldo el cristal y desempolvo un probador de cristales. El cristal no es. Reviso tensiones: las tensiones están bien. Reviso componentes, Están todos y los valores están bien. Reviso que la tensión en el varicap varía al mover el potenciómetro de sintonía.
¡Uh! El infalible Jon, con su larga experiencia, no la ha podido cagar así que, si no es el cristal, será el NE602, que está frito. Como tengo uno por aquí, corto las patas con el alicate para poder desoldarlo más fácilmente sin dañar las pistas y me pongo a la tarea. Para dejar el agujero libre de estaño, una vez retirada la patilla, yo suelo utilizar una «sonda de dentista». Son cónicas y de acero inoxidable, así que el estaño no se pega. Estoy seguro que vuestro dentista tendrá alguna despuntada que os podrá regalar si lo pedís con amabilidad. Si no la consigues, siempre podrás usar un mondadientes de los redondos. Pongo un zócalo de buena calidad (por si hay que hacer más pruebas) e inserto el nuevo NE602A. Sigue sin funcionar. Ver fotos paso6corteNE602 y paso6sonda más abajo.
¡Uh-uh! ¿Será que el cristal no termina de oscilar en estas condiciones? Buscando buscando en mi gigantesca junk-box encuentro un cristal prácticamente de la misma frecuencia, al menos para poder seguir con el montaje. Tampoco va. Ya, casi desesperado, antes de dejar descansar el asunto hasta tener la cabeza más fresca, decido comprobar los condensadores, no fuera que alguno estuviera en corto o fuera de especificaciones. Compruebo que un condensador está colocado entre dos isletas unidas por un puente... ¿Comorrrr? Sí, amigos, hasta el mejor escribano hace un borrón y yo instalé los dos condensadores de 47 pF sin fijarme en la posición. Una vez corregido el error todo ha funcionado sin problemas. El receptor recibe unos 20-25 kHz justo por debajo de 7,100 MHz. Dejaremos la medida del rango de sintonía para más adelante. Ver foto paso6hechofinal.
Podía haber ocultado mi gazapo, pero creo que viendo mis errores la gente podrá evitarlos en un futuro próximo. Mi error ha sido no comprobar la serigrafía. Había estudiado el esquema en el que había dos condensadores saliendo de la patilla 6 y he dado por supuesto que saldrían «hacia afuera» y no «en paralelo». Si me hubiera fijado en el «otro» NE602A me habría dado cuenta del error. Pero al menos ya está funcionando y arreglado. Ver foto paso6_gazapo.
A continuación remataremos el receptor. Espero que el "rollo" de la búsqueda del fallos haya servido de lección para que otros no cometan el mismo error que yo. Un saludo.
Jon, EA2SN / AE2SN
... el que lee mucho y anda mucho vee mucho y sabe mucho. (Don Quijote, libro segundo, capítulo XXV)
Examinador Voluntario para la FCC (EE. UU.) con ARRL-VEC /.../ 4,71BDXCC como EE2A con una vertical y 5-100 W
Paso 7: el paso de entrada del receptor: Limitador, filtro pasabanda y atenuador
Leyendo el esquema de izquierda a derecha hay un limitador con dos diodos cabeza-cola, un filtro pasabanda hecho con dos transformadores, del estilo de los «botes» de frecuencia intermedia y de los que tenéis la hoja de datos más abajo, y un atenuador resistivo. En Europa tenemos una de las mayores concentraciones de emisoras de radiodifusión en onda corta del mundo (aunque la crisis, los satélites e Internet están dando con ellas). Por eso, si alguien va a usar el equipo con una antena «grande», es recomendable ajustar este atenuador una noche que esté la banda «calentita». Sin atenuación el mezclador NE602A puede sufrir de intermodulación y hacer la escucha bastante incómoda o desagradable. Esta atenuación puede compensarse con la ganancia de FI.
He puesto abajo una vieja hoja de datos de los transformadores usados. Se supone el el DIY7-7 resuena directamente en 7 MHz pero el diseñador le ha puesto 27 pF adicionales para que resuenen en 7,100 MHz. Sus razones tendrá pero, de hecho, funciona. (CORRECCIÓN IMPORTANTE: por indicación de Adam BD6CR/4 debo corregir lo anterior: los transformadores resuenan en 7 MHz, tal y como indica su hoja de datos. Los condensadores de 27 pF son parte del filtro pasabanda y, como se ve en el esquema, no van en paralelo con el condensador tubular interno del transformador)El montaje se hace en un plisplás, y ya se puede conectar una antena para oír QSOs en la banda. Hoy 25 de octubre por la mañana entraban como cañones MU/PA9M y EA2WL. El receptor funciona.
Jon, EA2SN / AE2SN
... el que lee mucho y anda mucho vee mucho y sabe mucho. (Don Quijote, libro segundo, capítulo XXV)
Examinador Voluntario para la FCC (EE. UU.) con ARRL-VEC /.../ 4,71BDXCC como EE2A con una vertical y 5-100 W
Jon, sepas que me estoy guardando toda esta información, porque más detallada y comprensible imposible, mil gracias.
Salió Jabi EA2ARU, otro monstruo
-
73s Manolo - EA5DO
Hola Jon,
Un pequeño apunte a tu estupendísimo trabajo:
El rizado es debido a la falta de adaptación de impedancias (que comentabas antes), más que a la ubicación del circuito. Lo he observado exactamente igual tratando de trazar las curvas de filtros Kenwood (los típicos YK-88 e YK-455) con analizadores de redes (VNAs)
Un saludo y sigue con esta genial idea 
73 JOSE EB5AGV
73 JOSE - EB5AGV
http://agvradio.com
http://jvgavila.com
Gracias José por tu mensaje. Ahora sabemos todos la razón del comportamiento extraño. Sigo con el último paso, en varias etapas.
Paso 8A: montando el amplificador del transmisor.
Alguien puede pensar que nos estamos olvidando muchas piezas del transmisor: el modulador balanceado para modular la señal del oscilador de portadora y obtener la DSB (ya lo hicimos en el paso 3: detector de producto y OFB), el filtro a cristal (ídem paso 5) y el oscilador local y el mezclador de RF (lo acabamos de hacer en el paso 6). Esta es la ventaja de usar un componente tan versátil como el NE602A, que tanto vale para un roto como para un descosido, añadiéndole unas pocas conmutaciones habilidosas con unos relés aquí y allá.
Nos queda limpiar la señal de todos los productos de mezcla (ver el añadido al mensaje del Paso 0 y medio sobre los "mezcladores de RF". ¿Por qué se habla de esto -productos de mezcla- y no de la suma y la resta de las señales que llegan al oscilador? La razón es que los mezcladores realizan una "multiplicación" de las frecuencias entrantes generan un montón de señales con las señales originales y sus armónicos, mezclándose todas con todas. Esto se debe a la definición matemática de las señales de RF. Por eso es importante dejar la señal lo más limpia posible, ya que todo lo que se deje pasar será amplificado y saldrá por antena. Mucho más aún si el amplificador es de banda ancha.
El amplificador está compuesto por tres etapas. En esta primera parte vamos a montar las dos primeras etapas. Antes, montaremos un filtro pasabanda similar al del receptor. La primera etapa de amplificación usa un transistor de montaje superficial (SMD) (su hoja de datos está más abajo) que se monta con relativa facilidad, porque es relativamente grande para ser SMD. La segunda usa un transistor de buenas prestaciones, el 2SD882, que, aunque está dirigido al mercado de audio, funciona bien en RF porque su frecuencia de corte es de 100 MHz. El que yo instalé tenía una Beta de 273.
La frecuencia de corte (o producto anchura de banda x ganancia) es aquella que marca el punto en el que la ganancia en corriente -que en corriente continua o a bajas frecuencias es relativamente grande- se reduce a 1. Para amplificadores diseñados para una frecuencia dada se suele recomendar utilizar transistores con frecuencias de corte 10 veces superiores. El 2SC3357 tiene una frecuencia de corte de 6.5 GHz, mientras que el 2SD882 -aún siendo un transistor de "audio"- alcanza los 100 MHz.
El montaje es sencillo y no hay pruebas que realizar.
Jon, EA2SN / AE2SN
... el que lee mucho y anda mucho vee mucho y sabe mucho. (Don Quijote, libro segundo, capítulo XXV)
Examinador Voluntario para la FCC (EE. UU.) con ARRL-VEC /.../ 4,71BDXCC como EE2A con una vertical y 5-100 W
Paso 8B. Montaje del paso final del amplicador.
Como puede verse en el esquema, el final es un MOSFET IRF640 (hoja de datos abajo) y se ha previsto un circuito de regulación para ajustar el voltaje de polarización de la puerta que determinará el punto de trabajo del transistor. Es importante preajustar el potenciómetro ajustable a mitad de carrera para evitar que el transistor se pueda dañar por un exceso de corriente. Esto proporciona un voltaje cercano al de corte del transistor (en mi caso 3,86 V). El ajuste se hace al final, una vez montado el transistor en la caja que hace de radiador de calor, y consiste en variar lentamente este voltaje hasta que la corriente de reposo del transistor sea de 60 mA (lo que se ve por un aumento en la corriente global consumida por el equipo en transmisión).
Comentando sobre el kit con mi amigo Gary, ZL1AN, que escribe en la revista de la NZART me contó que le había llamado la atención el filtro pasabajos y que iba a modelarlo con SPICE. Yo creía recordar que había leído algo en QEX (corrección, no era QEX, era QST, febrero 1999, pp 44-46, un artículo estupendo de Ed, W3NQN, el hombre de los filtros), donde decían que el condensador adicional proveía de un filtraje adicional en la frecuencia del segundo armónico. En el Handbook, ¡cómo no!, lo llaman 5-element elliptic low-pass filtre o filtro pasabajo elíptico de 5 elementos. Usando el magnífico software de Neil Heckt
http://www.aade.com/filter.htm
he podido simular el filtro y, tal como era de suponer, el diseño busca colocar una gran atenuación en la frecuencia del segundo armónico (unos 80 dB). Se ha marcado la frecuencia de operación, para ver cómo comienza a atenuar por encima de 8 MHz y cómo responde a frecuencias mayores. El resultado de Gary con SPICE es muy similar, como no podía ser de otra forma.
Es interesante cuánto se puede aprender con un circuito tan sencillo y unas cuantas herramientas obtenidas gratuitamente de Internet.
Quedan los toroides, que los pongo en mensaje aparte.
Jon, EA2SN / AE2SN
... el que lee mucho y anda mucho vee mucho y sabe mucho. (Don Quijote, libro segundo, capítulo XXV)
Examinador Voluntario para la FCC (EE. UU.) con ARRL-VEC /.../ 4,71BDXCC como EE2A con una vertical y 5-100 W
Paso 8 C. Montaje de los toroides.
Ahora toca también preparar los toroides. A mucha gente le abruma el tema, pero no hay que tenerle miedo. Los toroides usados son relativamente grandes por lo que, con un poco de habilidad, se podrán bobinar sin problemas. Si os véis incapaces de hacerlo porque tenéis los dedos como morcillas, siempre podréis recurrir a algún colega, a vuestros armónicos o a vuestra santa o santo respectivo.
Comenzaremos con los toroides del filtro pasabajos, que usan los toroides más grandes denominados NXO-10, de fabricación china. Hay que hacer 12 espiras. ¿Que qué es una espira? Cada vez que el hilo pasa por el agujero central cuenta una espira. Así que hay que meter el hilo doce veces. Si tienes problemas para contar las espiras (se hace bien pasando la uña por el exterior del toroide y contando los «saltos») puedes hacer una foto con un móvil o una cámara que tenga macro y luego verlo en la pantalla a lo grande. Curiosamente, el código NXO-10 es el que usa la Beijing Seven Star Flight Electronic Co. Ltd o BSSF para el material Ni Zn usado en el toroide. De hecho, es un H13x7x5 y la permeabilidad inicial mu es 10. La inductancia que he medido en mi caso era de 898 y 913 nH. El toroide pequeño, es un H10x6x5, de material NXO-100, con una permeabilidad inicial mu de 100, y la inductancia de un bobinado de 5 espiras era de aproximadamente 1,31 uH.
¿Lo he hcho bien? El problema era buscar datos de AL para el toroide en cuestión. El único dato disponible era el de mu. El programa Mini Ring Core Calculator v1.2 de DL5SWB viene en nuestra ayuda.
http://www.dl5swb.de/html/mini_ring_core_calculator.htm
Tiene un calculador inverso de mu y AL a partir de datos de un toroide. Poniendo las medidas 13x7x5 mm y la inductancia 0,9 uH sale una mu de 10.1 (¡bingo!) y una AL de 6,25nH/(NxN). Así que vamos bien. Una lectura más cuidadosa del esquema del paso final me ha enseñado que el diseñador apuntaba a conseguir no 900 nH sino 1000 nH o 1 uH. ¡Rayos, no tan bien como pensaba en un principio, pero razonablemente cercano...!
El pequeño, de 10x6x5 mm con 1,31 uH de inductancia da una mu de 102 (vamos bien) y una AL de 52,4 nH/(NxN). Si comparamos con materiales más conocidos, como los que vende Amidon, el pequeño sería algo mayor en tamaño que un FT37-61 (el material 61 tiene una mu de 125) y el mayor sería equivalente a un T50-2.
Una vez que hemos perdido el miedo seguimos con los transformadores. Hay que hacer un bobinado con dos hilos a la vez, retorcidos entre ellos. En las fotos muestro cómo preparar el hilo bifilar para el bobinado y un toroide con 3 espiras hechas y los bobinados identificados.
Para los bobinados reales, la mejor forma de hacerlo es la siguiente: como hacen falta unos 20 cm, corta un trozo de doble longitud (40 cm) y dóblalo por la mitad. Sujeta las puntas libres con un alicate y déjalo apretado con una goma elástica. Cuélgalo de un clavo en la pared o de un soporte que tengas a mano y, manteniendo bien estirados los hilos para que no se formen cocas, comienzas a girar el alicate en una dirección (ver preparación_bifilar_real). Tendrás que darle 32 vueltas completas. Al final le das un estirón y ya tienes el material preparado para bobinar, aunque tendrás que recortar las zonas que hayan quedado demasiado retorcidas (ver bifilar_descartar). Únicamente tienes que dar 5 espiras dejándolas bien repartidas por el núcleo.
Al final hay que preparar los hilos para la soldadura , una operación fundamental para el éxito de la soldadura de los toroides y el éxito del kit. Hay muchas técnicas para quitar el barniz: los profesionales, bajo condiciones ambientales bien controladas, utilizan disolvente químicos. Nosotros nos conformaremos con rascar el esmalte. Algunos lo queman con un mechero primero, otros rascan con cuchilla (ojo, sin mellar el hilo), otros con lija. Que cada uno elija el método que más le guste. Lo que hay que conseguir es que el hilo quede brillante y libre de esmalte. Eso lo podremos comprobar viendo si acepta soldadura o no. Si quedan zonas «brillantes» (= con esmalte) habrá que volver a rascar o lijar. No paréis hasta tener un estañado perfecto.
En los transformadores hay que hacer la toma central. Con el polímetro se puede buscar la continuidad de los bobinados. Uno será A-A´ y el otro será B-B´. Habrá que unir A´ con B. Conviene no estañar estos rabillos hasta que está hecha la toma central, y usar poco estaño para que puedan introducirse por el agujero del circuito impreso, que es más amplio de lo normal. Comprobar con el polímetro que hay continuidad entre A y la toma central, la toma central y B´ y entre A y B´ también. Si hubiérais hecho la toma central mal, uniendo A con A´ los extremos libres tendrían continuidad, porque serían el mismo bobinado B-B´ mientras que no habría continuidad entre los extremos y la toma central (ver toroides preparados).
Con el montaje de los toroides en la placa y su soldadura termina la preparación de la placa. Ahora toca mecanizar la caja y terminar el montaje.
Jon, EA2SN / AE2SN
... el que lee mucho y anda mucho vee mucho y sabe mucho. (Don Quijote, libro segundo, capítulo XXV)
Examinador Voluntario para la FCC (EE. UU.) con ARRL-VEC /.../ 4,71BDXCC como EE2A con una vertical y 5-100 W
Montaje y ajuste final.
Antes de empezar conviene comprobar si vuestros conectores o adaptadores PL259 enroscan bien en el conector suministrado. Es un conector «compatible» pero que, al menos en mi caso, no lo es con todos los conectores que uso, por lo que lo he sustituido por un SO239 de marca conocida para evitar males futuros. Para unas pruebas yo soldé también un cablecillo para llevar la señal del altavoz al conector de micro, para probar un micro-altavoz.
Una vez mecanizada la caja se inserta la placa de circuito impreso por los carriles al efecto de tal forma que se vean los taladros para los semiconductores en las ventanas correspondientes. Se coloca el panel trasero con el conector de antena y, una vez fijado, se puede soldar la hembrilla de masa del conector al circuito impreso.
(ver la foto de la placa presentada en la caja "viendo" los taladros de cada ventana)
Al montar los semiconductores hay que preocuparse únicamente de que el tornillo del IRF640 no esté en contacto con la lengüeta metálica (tab) del mismo. Hay que usar una laminilla aislante y una arandela de teflón para aislarlo. Luego conviene comprobar con el polímetro que no hay continuidad.
Depués puede montarse el panel frontal. Las instrucciones del manual son para un micrófono electret con cableado Icom. 1=Mic, 2= +8 V, 5=PTT, 6 y 7= Masa (GND). Otros equipos, como el Kenwood TS50 tienen marcado el patillaje para el altavoz: 1=Mic, 2=PTT, 5= +8 V, 6=Altavoz, 7 y 8 = Masa (GND). Lamentablemente con el equipo no se puede usar un micro-altavoz. La entrada de micro está activa en recepción y, en caso de usar un micro-altavoz, se produce el efecto Larsen (el típico pitido de realimentación). Pero para cada problema siempre hay una solución, y esta sería usar unos auriculares de PC con micro incorporado o colocar un altavoz no muy profundo en la tapa de la caja del equipo (para lo que habría que mecanizarla adecuadamente). Si se enchufa un altavoz externo el interno queda desconectado, un bonito detalle del diseñador.
Y no queda más que hacer el ajuste final.
El receptor estaba funcionando bien. Ahora toca afinarlo y ajustar el OFB para que la portadora quede a unos 350 Hz del borde del filtro. Usando el software Spectrum3 de Con, ZL2AFP, lo podemos hacer muy fácilmente.
www.qsl.net/zl1an/Software/Spectrum3.zip
Otra opción es la última versión libre del programa Spectrogram. En cualquier caso hay que enchufar un generador de ruido al conector de antena, o usar ruido de la banda, para tener una buena representación del comportamiento del receptor con respecto al audio.
El ajuste hecho anteriormente al filtro pasabanda del receptor se retoca ahora, pero sin grandes cambios en mi caso. El receptor queda con esto rematado y bastante fino. La señal mínima detectable (MDS en inglés) es de solo 0,18 uV (la señal en el altavoz es el doble del ruido o +3 dBr). Para una relación Señal/Ruido de 10 dB hay que inyectar por antena 53 uV en mi caso, muy similar a la especificación del diseñador.
El ajuste del transmisor comienza con el ajuste de la polarización de la puerta del transistor final IRF640. Compruebo la corriente en reposo del transmisor (sin hablar por el micro) y giro muy lentamente el potenciómetro de ajuste para que la corriente total suba 60 mA sobre el valor anterior.
Después hay que ajustar el filtro pasabanda del transmisor. Pulso el PTT e intento obtener potencia, pero no consigo nada. Hasta que me doy cuenta que hay que en banda lateral sin modulación no hay potencia... La supresión de portadora es bastante buena, porque no mido potencia alguna sin modular. Para no desgañitarme en las pruebas le meto unos 50 mV de audio de 1000 Hz e intento el ajuste. Vaya, la potencia va subiendo y llega a los 8 W. Nada mal para un equipo alimentado a 12.0 V. El consumo de aproximadamente 1,8 A marca un rendimiento global del 40%. A 13.8 V, con un consumo de 2.1 A consigo 11.1 W. De nuevo con 12,0 V, con un micro-altavoz chino barato consigo en picos 8-9W, lo que me deja más que satisfecho.
Así que lo único que queda es cerrar la caja y preparar una antena ligera para ir al monte. Aunque intentaré hacer más medidas y quizá algún video este fin de semana largo... 
Con este último apartado doy por terminada la presentación del montaje del "Chinito". Aunque ha sido una especie de mini-maratón he querido hacerlo así para que tengáis toda la información en vuestra mano por si os decidis a pedirlo. Actualización: El precio actual (8 de noviembre de 2011) es 115 US$ en kit y 155 US$ montado. Si queréis un micrófono tipo ICOM hay que añadir en ambos casos 20 dólares si se pide simultáneamente. El envío cuesta 25 US$. El pago se hace con Paypal y la dirección de Adam es rongxh arroba gmail.com
Como dije al principio, no tengo relación comercial con Adam Rong y sí una buena amistad cementada en un montón de mensajes intercambiados y varios chat.
Espero que os haya parecido interesante y quedo a vuestra disposición.
Un cordial saludo a todos.
jon, ea2sn
Jon, EA2SN / AE2SN
... el que lee mucho y anda mucho vee mucho y sabe mucho. (Don Quijote, libro segundo, capítulo XXV)
Examinador Voluntario para la FCC (EE. UU.) con ARRL-VEC /.../ 4,71BDXCC como EE2A con una vertical y 5-100 W
Gracias Jon, muy ameno, detallado e interesante y seguro que muchos te lo vamos a gradecer y a poner en práctica. Nos lo has puesto muy fácil.
Estupendo el reportaje de la revista de Noviembre.
-
73s Manolo - EA5DO
:cheer:
EA2HA Humberto
Hola Jon,
Gracias por una magnífica guía paso-a-paso.
Simplemente perfecta! Grs!
Pablo EA4TX
http://ea4tx.wordpress.com/
http://www.ea4tx.com/
Gracias Jon:
Una explicacion de un radioaficionado, para radioaficionados.
Animate y ponlo en la revista.
73
Ric
Muchas gracias a todos por vuestra participación y vuestros mensajes.
Ya tengo preparado un documento recopilando la información, al que le quedan por añadir algunos ensayos adicionales con el equipo, e intentaré que lo pongan a disposición de todos en la zona de descarga de la web.
Acabo de terminar una versión en inglés para el "hacedor de kits" Adam, que estaba intrigado con mis andanzas, y para Gary, por la ayuda prestada.
Para aquellos que no acceden a Internet posiblemente habrá un artículo en la revista, previa consulta con la JD.
Un saludo a todos, buen finde y que hagáis muchos QSO en el CQWW.
jon, ea2sn
Jon, EA2SN / AE2SN
... el que lee mucho y anda mucho vee mucho y sabe mucho. (Don Quijote, libro segundo, capítulo XXV)
Examinador Voluntario para la FCC (EE. UU.) con ARRL-VEC /.../ 4,71BDXCC como EE2A con una vertical y 5-100 W
QDURE - https://qsl.ure.es
Imprime y confirma tus QSL en tan solo tres click.
Nunca fue tan fácil y cómodo
el confirmar tus contactos.
TIENDA ONLINE URE
Publicaciones, mapas, polos, camisetas, gorras, tazas, forros polares y mucho más...
WEBCLUSTER EA4URE
Conoce el nuevo WebCluster de URE, ahora con nuevos filtros e información y compatible con GDURE


